EasyManua.ls Logo

Viessmann Divicon - Connection and Wiring Diagram

Viessmann Divicon
40 pages
Print Icon
To Next Page IconTo Next Page
To Next Page IconTo Next Page
To Previous Page IconTo Previous Page
To Previous Page IconTo Previous Page
Loading...
34
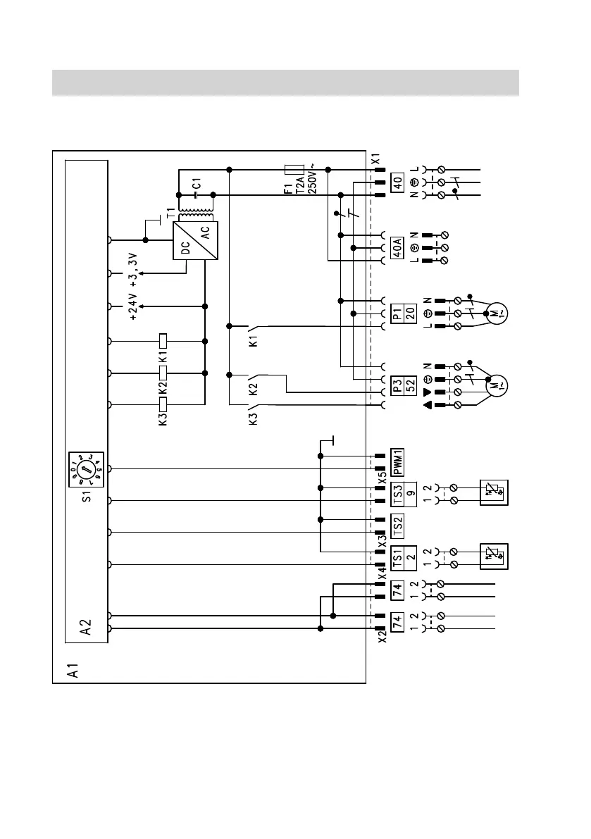
Connection and wiring diagram
A1 Mixer extension kit, ADIO control
unit
A2 PCB
F1 Fuse
S1 Rotary switch
Extension kit with mixer PCB
(cont.)
5836498

Related product manuals