EasyManua.ls Logo

VIETA VPC66BT - WIRING CONNECTION

VIETA VPC66BT
14 pages
Print Icon
To Next Page IconTo Next Page
To Next Page IconTo Next Page
To Previous Page IconTo Previous Page
To Previous Page IconTo Previous Page
Loading...
5
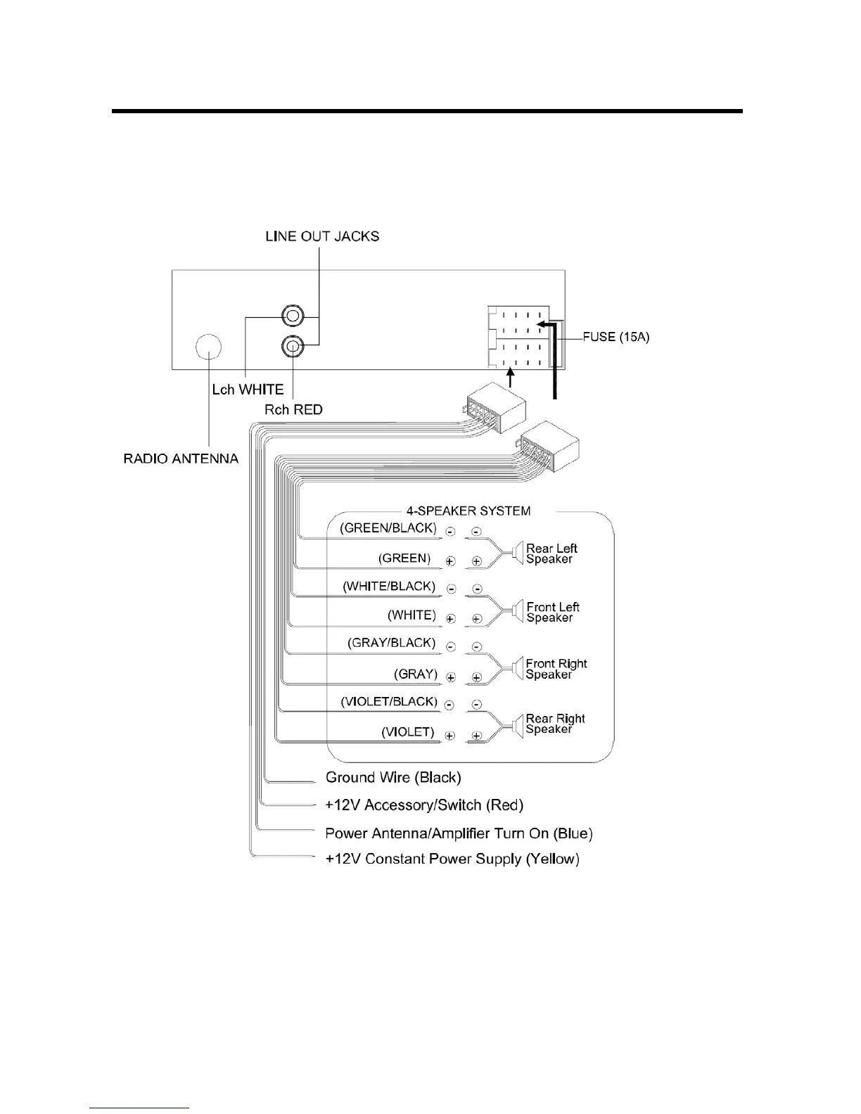
WIRING CONNECTION
FOR 4X40W SYSTEM

Related product manuals