EasyManua.ls Logo

Viking Range VCBB363 - Page 9

Viking Range VCBB363
36 pages
Print Icon
To Next Page IconTo Next Page
To Next Page IconTo Next Page
To Previous Page IconTo Previous Page
To Previous Page IconTo Previous Page
Loading...
9
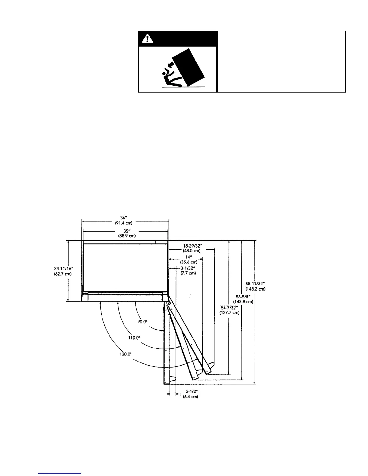
Anti-Tip Requirements
The anti-tip boards should be fastened
into position prior to moving the unit into
the opening.
Note: Additional mounting boards may
be required if the unit does not touch
the back wall of the enclosure. To
prevent unit from tipping forward, it
must be secured in place with a solid
soffit or wood block.
TTIIPP OOVVEERR HHAAZZAARRDD
AApppplliiaannccee iiss ttoopp hheeaavvyy aanndd ttiippss eeaassiillyy wwhheenn nnoott
ccoommpplleetteellyy iinnssttaalllleedd..
KKeeeepp ddoooorrss ccllo
osseedd uunnttiill aapppplliiaannccee iiss ccoommpplleetteellyy
iinnssttaalllleedd aanndd sseeccuurreedd ppeerr iinnssttaallllaattiioonn iinnssttrruuccttiioonnss..
UUssee ttwwoo oorr m
moorree ppeeooppllee ttoo mmoovvee aanndd iinnssttaallll
aapppplliiaannccee.. FFaaiilluurree ttoo ddoo ssoo ccaann rreessuulltt iinn ddeeaatthh oorr
sseerriioouuss iinnjjuurryy..
WARNING
DOOR SWING CONSIDERATIONS
PROFESSIONAL MODEL

Related product manuals