EasyManua.ls Logo

Viking CLASS I - Post Mounting Option

Viking CLASS I
50 pages
Print Icon
To Next Page IconTo Next Page
To Next Page IconTo Next Page
To Previous Page IconTo Previous Page
To Previous Page IconTo Previous Page
Loading...
VIKING TECHNICAL SUPPORT 1.800.908.0884
15
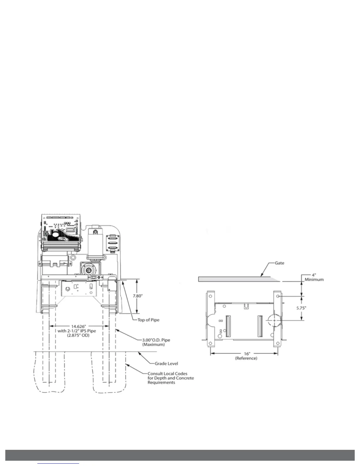
Post Mounting Option
TIP:
The operator is equipped for post mount applications and is ready for installation.
You will only need to supply the posts and u-bolts.
1.
Consult the local building codes for the depth and concrete requirements.
2.
Maximum 3.00ā€ OD pipe.
3.
Provide a sufficient number of conduit pathways for all low power acces-
sories such as loop detector leads, maglock, non-contact sensors, contact
sensors, safety and other commands. Also provide conduit for the power
supply to the operator.
! DO NOT run low voltage and high voltage wiring in the same conduit.
! Provide at least 12ā€ separation between low and high voltage conduits.
GATE OPERATOR INSTALLATION

Related product manuals