EasyManua.ls Logo

Viking DFSB483D - Refrigeration Compartment Theory of Operation

Viking DFSB483D
51 pages
Print Icon
To Next Page IconTo Next Page
To Next Page IconTo Next Page
To Previous Page IconTo Previous Page
To Previous Page IconTo Previous Page
Loading...
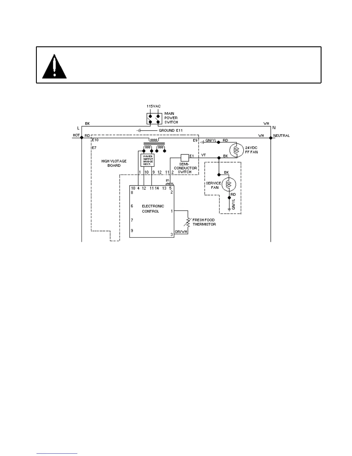
Refrigeration Compartment Theory of Operation
WARNING
To avoid electrical shock, which can cause severe personal injury or death, disconnect power to
refrigerator using power switch before servicing. Wires removed during disassembly must be replaced
on proper terminals to insure correct earth ground and polarization. After servicing, reconnect power
using power switch.
If both freezer and fresh food thermistors
are warm, their resistance drop (see table
Refrigeration and Freezer Thermistor in
Temperature Control Section) and the
electronic signals are sent to initiate
operation of the evaporator fan motor,
compressor, and condenser fan motor and
for operation of the fresh food fans. Once
the signal is sent for operation of the
compressor, the adapter board sends a 3mA,
5VDC square wave frequency signal to the
inverter in order to start the compressor
motor at the specified speed (See table on
page 5 in this document for appropriate
values). As the fresh food thermistor warms,
resistance decreases allowing low voltage
signal to be sent to the electronic control. The
electronic control sends a low voltage signal
to semiconductor switch for DC fresh food fan
to begin operating. The fresh food fan then
circulates freezer air into fresh food
compartment.
As the fresh food thermistor cools, the
resistance increases. The increased resistance
blocks low voltage signal to electronic control,
interrupting circuit to DC fresh food fan.
33

Other manuals for Viking DFSB483D

Related product manuals