EasyManua.ls Logo

Viking DFSB483D - Standard Installation

Viking DFSB483D
51 pages
Print Icon
To Next Page IconTo Next Page
To Next Page IconTo Next Page
To Previous Page IconTo Previous Page
To Previous Page IconTo Previous Page
Loading...
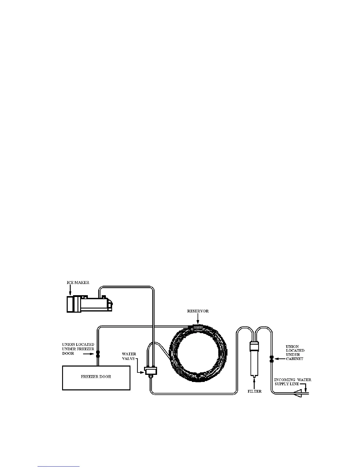
WATER FILTER BYPASS INSTRUCTIONS
Standard Installation
1. Pull copper Water Supply Line from plumbing forward from underneath refrigerator.
2. Flush air and impurities from Water Supply Line by turning on water supply and
running two (2) quarts of water into a bucket.
3. Locate Water Filter Union and Water Filter Inlet Line from underneath refrigerator.
4. Bend the open end of the Water Supply Line to point toward the open end of the
Water Filter Inlet Line and Union.
5. Remove nuts and ferrules from Water Filter Union and slide onto open ends of Water
Filter Inlet Line and Water Supply Line.
6. Connect nuts on copper tubing to Water Filter Union. Be sure both nuts are fully
seated in Water Filter Union before tightening nuts. Do Not over tighten.
7. Turn on water supply to refrigerator and check for leaks.
8. Turn off water supply to refrigerator and correct any leaks. Repeat this process until
no leaks exist.
9. Completely turn on water supply to refrigerator.
10. Verify drain pan is installed and aligned. Drain pan must be pushed past and over
initial stopping point.
Figure 1 – Standard Dispenser Water Flow Schematic
43

Other manuals for Viking DFSB483D

Related product manuals