EasyManua.ls Logo

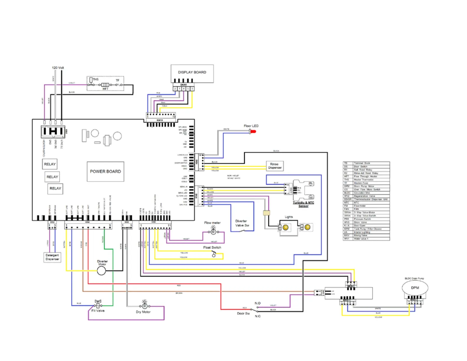
Viking FDWU524 - Main Board Diagram

Viking FDWU524
41 pages
Print Icon
To Next Page IconTo Next Page
To Next Page IconTo Next Page
To Previous Page IconTo Previous Page
To Previous Page IconTo Previous Page
Loading...
Page 40 of 41 December 12, 2018
Wiring Diagrams
Main Board Diagram

Other manuals for Viking FDWU524

Related product manuals