EasyManua.ls Logo

Viking K-2000-DVA - Installation Guide; Alarm Dialer Installation; Store Caster Installation

Viking K-2000-DVA
8 pages
Print Icon
To Next Page IconTo Next Page
To Next Page IconTo Next Page
To Previous Page IconTo Previous Page
To Previous Page IconTo Previous Page
Loading...
12
on
VIKING
©
MODEL K-2000-DVA
VIKING
ELECTRONICS
HUDSON, WI 54016
MULTI-INPUT VOICE
DIALER / ANNOUNCER
INPUTSTELCO PROGRAMMING
RS232
SERIAL PORT
POWER
12 VDC
AUDIO
OUT
ANNOUNCEMENT
VOLUME
VIKING
©
MODEL K-2000-DVA
VIKING
ELECTRONICS
HUDSON, WI 54016
MULTI-INPUT VOICE
DIALER / ANNOUNCER
INPUTS
VOLUME
TELCO
PROG
RS232
SERIAL PORT
POWER
12 VDC
REC
IN
AUDIO
OUT
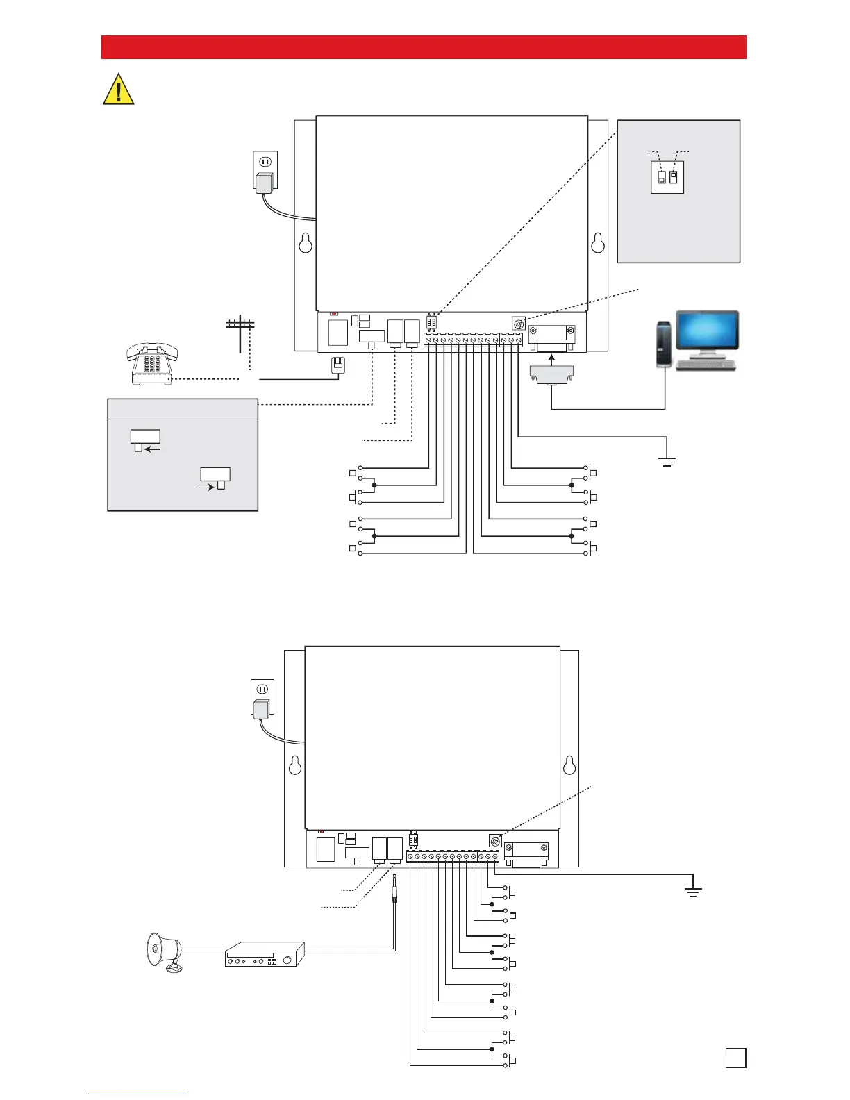
12V DC
Adapter
Included
120V AC
* Earth
Ground
600 Audio Output
Housewares
Greenhouse
Clothing
Automotive
Hardware
Paint
Plumbing
Electrical
Paging System
(not included)
25AE 8-Ohm
Paging Horn
(not included)
3.5mm (1/8")
Mono
Audio Cord
Line Level Record Input
Volume Control
Installation
B. Store Caster
12
on
VIKING
©
MODEL K-2000-DVA
VIKING
ELECTRONICS
HUDSON, WI 54016
MULTI-INPUT VOICE
DIALER / ANNOUNCER
INPUTSTELCO PROGRAMMING
RS232
SERIAL PORT
POWER
12 VDC
AUDIO
OUT
ANNOUNCEMENT
VOLUME
VIKING
©
MODEL K-2000-DVA
VIKING
ELECTRONICS
HUDSON, WI 54016
MULTI-INPUT VOICE
DIALER / ANNOUNCER
INPUTS
VOLUME
TELCO
PROG
RS232
SERIAL PORT
POWER
12 VDC
REC
IN
AUDIO
OUT
C.O. Line
or Analog
PABX/KSU Station
(Programming
switch = NORM)
* Personal
Computer
12V DC
Adapter
Included
120V AC
Vending
Machine
Alarm
Alarm
Alarm
Security Alarm
Temperature
Switch
Nurse Call
Alarm
OR
Standard
Telephone
(Programming
switch = PROG)
Programming Switch
PROG
For use with a
standard telephone.
NORM
For use with a CO
line or analog
PABX/KSU station.
RS-232 9-Pin
Straight
Through Cable
(not included)
INPUT 1
COMMON
INPUT 2
INPUT 3
COMMON
INPUT 4
INPUT 8
COMMON
INPUT 7
INPUT 6
COMMON
INPUT 5
** Earth
Ground
Line Level Record Input
600 Audio Output
ON
1 2
Learn Sensitivity
ON
OFF
Normal
Reduced
Volume Control
DIP switch 1: leave OFF
DIP switch 2: typically left ON
If false triggers occur because of
very long wire runs to the inputs,
move DIP switch 2 to OFF.
DIP Switches
* IMPORTANT: The computer must have K-2000-DVA PC programming software installed. Visit www.vikingelectronics.com to download
free K-2000-DVA programming software. The software is compatible with any Windows based PC, using Windows 98 or higher. The
software allows programming of all K-2000-DVA parameters using the computer (except the recorded messages for inputs). Viking
Electronics will NOT support computer software or hardware problems. If you experience these problems, research your
hardware/software instruction manuals or contact the manufacturer’s technical support department.
** Note: To increase surge protection, fasten a wire from the screw terminal to Earth Ground (grounding rod, water pipe, etc.)
3
IMPORTANT: Electronic devices are susceptible to lightning and power station electrical surges from both the AC
outlet and the telephone line. It is recommended that a surge protector be installed to protect against such surges.
A. Alarm Dialer
Note: Lower number
inputs have higher priority.
Note: Lower number
inputs have higher priority.
* Note: To increase surge
protection, fasten a wire
from the screw terminal to
Earth Ground (grounding
rod, water pipe, etc.)

Other manuals for Viking K-2000-DVA

Related product manuals