EasyManua.ls Logo

Viking VCSB420 - Line Circuits (# 4)

Viking VCSB420
63 pages
Print Icon
To Next Page IconTo Next Page
To Next Page IconTo Next Page
To Previous Page IconTo Previous Page
To Previous Page IconTo Previous Page
Loading...
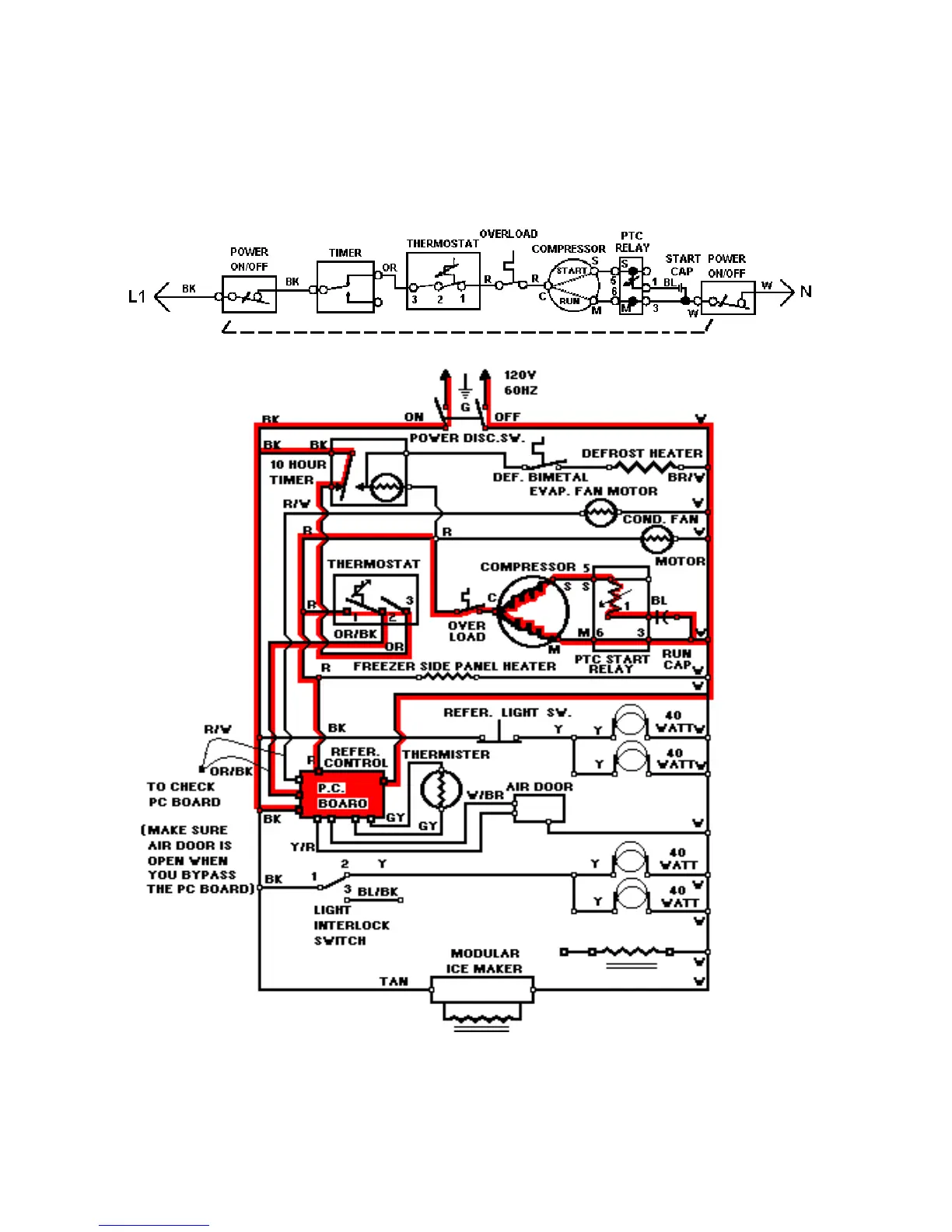
LINE CIRCUITS (# 4)
The Cooling Cycle
4. Freezer Thermostat Calling For Cooling--
Compressor Circuit At Instant Start
WATER VALVE
49

Related product manuals