EasyManua.ls Logo

Vivotek FD8165H - Page 9

Vivotek FD8165H
222 pages
Print Icon
To Next Page IconTo Next Page
To Next Page IconTo Next Page
To Previous Page IconTo Previous Page
To Previous Page IconTo Previous Page
Loading...
VIVOTEK
User's Manual - 9
Hardware Reset
The reset button is used to reset the system or restore the factory default settings. Sometimes
resetting the system can return the camera to normal operation. If the system problems remain
after reset, restore the factory settings and install again.
Reset: Press and release the recessed reset button with a straightened paper clip. Wait for the
Network Camera to reboot.
Restore: Press and hold the recessed reset button until the status LED rapidly blinks. Note that
all settings will be restored to factory default. Upon successful restore, the status LED will blink
green and red during normal operation.
Micro SD/SDHC/SDXC Card Capacity
This network camera is compliant with Micro SD/SDHC/SDXC 8GB, 16GB, or 64GB and other
preceding standard SD cards.
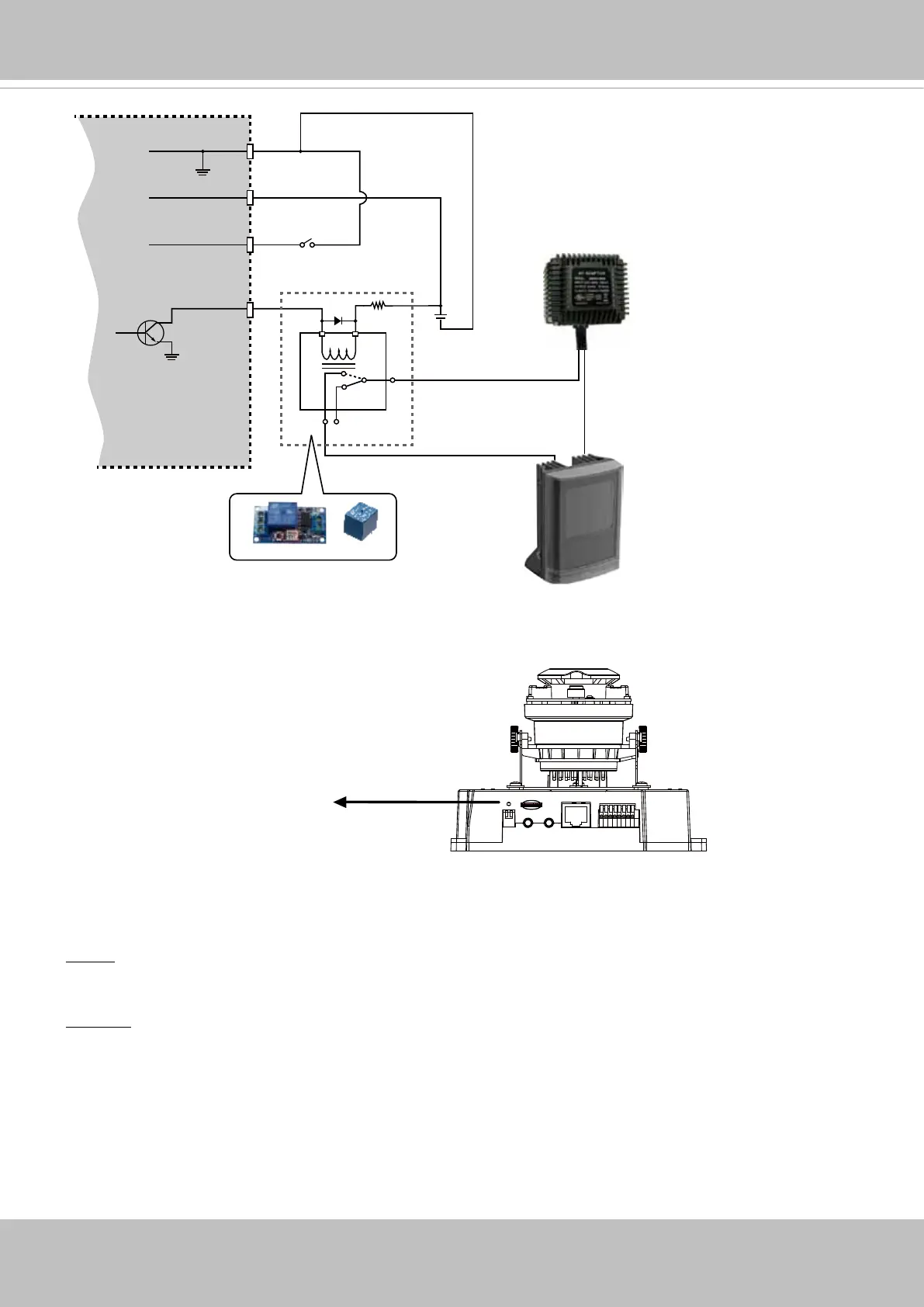
Recessed Reset
Button
DI-
DO+
DI+
DO-
VDC
Switch
BJT transistor
Relay
AC
Source
NO NC
External
device

Other manuals for Vivotek FD8165H

Related product manuals