EasyManua.ls Logo

Volvo Penta TAMD74P - Engine and Control Panel Wiring Diagrams

Volvo Penta TAMD74P
124 pages
Print Icon
To Next Page IconTo Next Page
To Next Page IconTo Next Page
To Previous Page IconTo Previous Page
To Previous Page IconTo Previous Page
Loading...
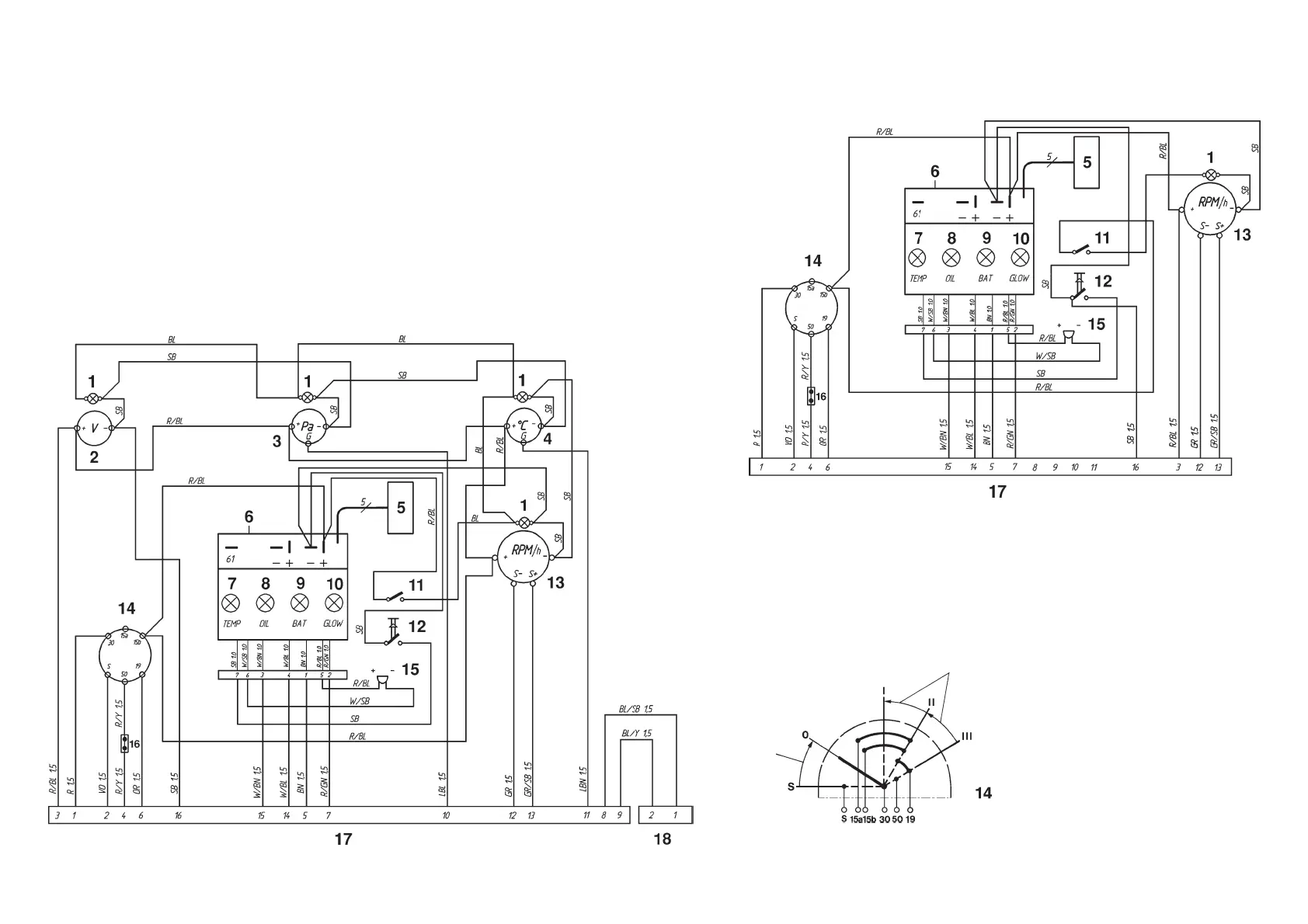
TAMD63L-A, TAMD63P-A
Control panel for auxiliary control position (Flying Bridge)
Cable areas in mm
2
are given after the color codes in the wiring diagrams.
The cable area is 1.0 mm
2
unless otherwise stated.
Instrument panel, (Master panel)
Spring loaded
Spring loaded
Instrument panels
1. Instrument lighting
2. Voltmeter
3. Oil pressure gauge
4. Engine coolant temperature gauge
5. Connector for extra
warning display (accessory)
6. Electronics module (alarm)
7. Engine coolant temperature warning lamp
8. Oil pressure warning lamp
9. Charge warning lamp
10. Indicator lamp (not used)
11. Switch, instrument panel lighting
12. Alarm test/acknowledgement switch
13. Tachometer with built-in hours run meter
14. Key switch
15. Alarm
16. Connector for connecting neutral
position switch, if fitted (accessory)
17. 16-pin connector
18. 2-pin connector (for auxiliary panel,
where installed)
7740156 - Downloaded from www.volvopenta.com 22/07/2009 00:44:08

Related product manuals