EasyManua.ls Logo

Volvo Penta TAMD74P - Page 77

Volvo Penta TAMD74P
124 pages
Print Icon
To Next Page IconTo Next Page
To Next Page IconTo Next Page
To Previous Page IconTo Previous Page
To Previous Page IconTo Previous Page
Loading...
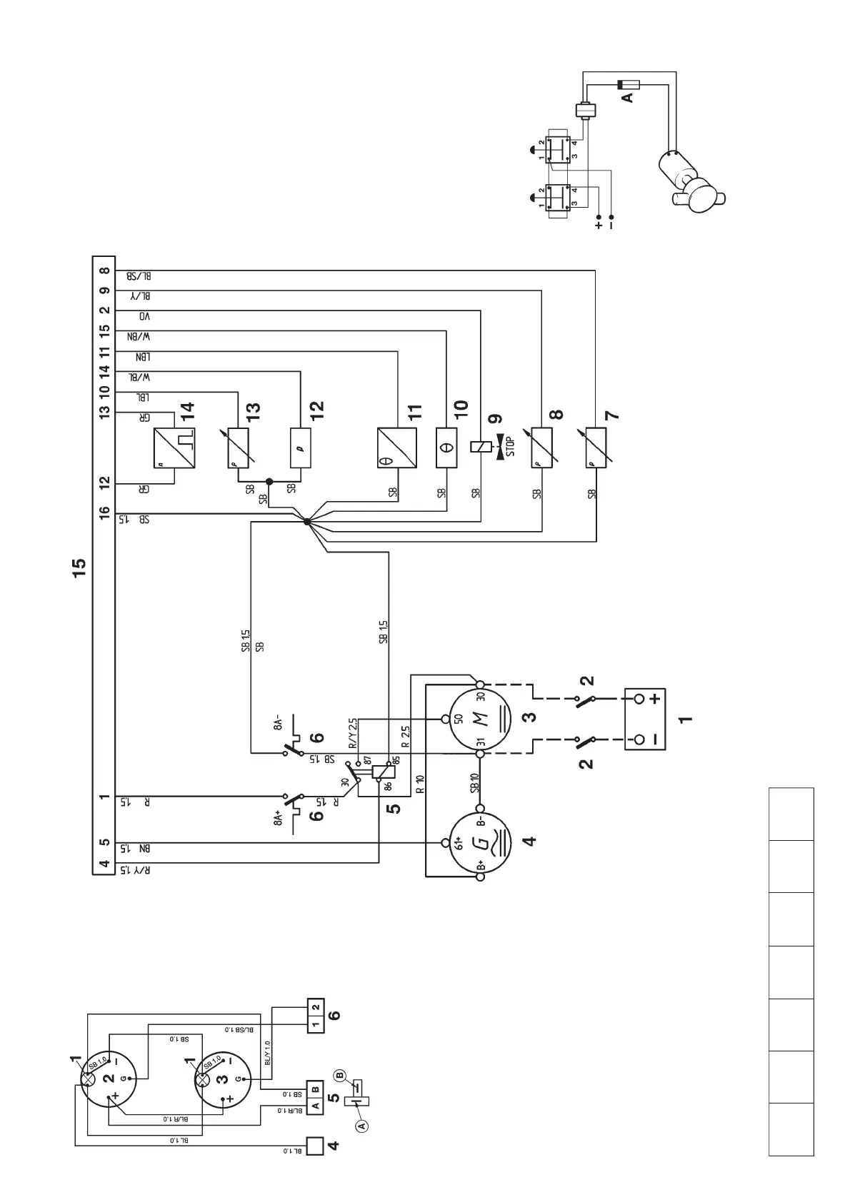
Auxiliary panel
1. Instrument lighting
2. Oil pressure gauge, reverse gear
3. Turbo charging pressure gauge
4. Connection to instr. light. on main panel
5. Connection to printed circuit card on main panel
6. Connection to connector (18) on main panel
Cable color
BL = Blue OR = Orange
LBL = Light-blue PU = Purple
BN = Brown R = Red
LBN = Light-brown SB = Black
GN = Green W = White
GR = Gray Y = Yellow
Conversions mm
2
/AWG*
* American Wiring Gauge
mm
2
0.75 1.0 1.5 2.5 10 16
AWG 18 16 (17) 15 (16) 13 7 5
Engine
Note. The components in the wiring
diagram have the same numbers as
shown in the key diagrams on page 65.
1. Battery
2. Main ON/OFF power switch
3. Starter motor
4. Generator
5. Starter relay*
6. Semi-automatic fuses (8A) *
7. Oil pressure sender, reverse gear
(0 – 30 bar)
8. Turbo pressure sender (0 – 3 bar)
9. Solenoid valve (fuel cut off valve)
10. Engine coolant temperature (ECT)
switch (97°C normally open –
closes if fault occurs)
11. Engine coolant temperature (ECT)
sender (40 – 120°C/104–248°F)
12. Oil pressure switch, engine (0.7
bar, normally open – closes if fault
occurs)
13. Oil pressure sender, engine (0 –
10 bar)
14. Engine speed (rpm) sender
15. 16-pin connector
*Located in the junction box
Suggested connection of oil scav-
enging pump (pumping and filling)
Cable area 1.5 mm
2
.
A. Fuse (8A/24V, or 15A/12V)
Cable areas in mm
2
are given after the color codes in
the wiring diagrams.
The cable area is 0.75 mm
2
unless otherwise stated.
A broken line indicates a non-Volvo Penta cable.
7740156 - Downloaded from www.volvopenta.com 22/07/2009 00:44:08

Related product manuals