EasyManua.ls Logo

Volvo XC60 2012 - Central Locking Tailgate Without POT

Volvo XC60 2012
308 pages
Print Icon
To Next Page IconTo Next Page
To Next Page IconTo Next Page
To Previous Page IconTo Previous Page
To Previous Page IconTo Previous Page
Loading...
TP39215202 XC60 2012 143
11A/2
2
1
30+
1
2
11A/1
2
2
13
CAN
CEM
4/56
C2:30
6/8
M
13
3 12
31/47
73/5030
74/602
C2:63
C2:24
C3:49
C5:1C5:2
YE-OG
GY-BN
GY-YE
LIN
RD-BK
RD-BU
15/31
RD-BKRD-BK
GN-VT
BK-OG
BK
BK-OG
BK
BK
BK
BK-OG
4
2/87
11B/23
2
1
1
6
5
LIN
BK
BK
LHD
RHD RHD
73/4016
31/83
73/4017
BK
3/111
LSM
BK
12
74/411
73/6001
BK-OG
I01622
F11
1
2
2
1
2
3
3/35
10/3
F3
1
2
6
C2:70
2
4
10/25
BU-WH
73/5044
BU-WH
BK
BK
73/5032
GY-YE
GY-YE
KEYKESS KEYKESS
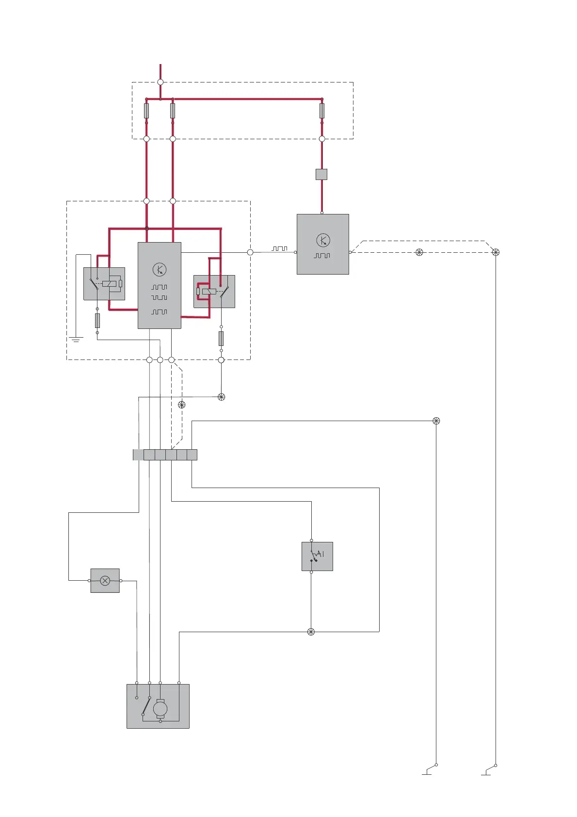
Group 83 Doors and openings
Central locking tailgate without POT

Table of Contents

Related product manuals