EasyManua.ls Logo

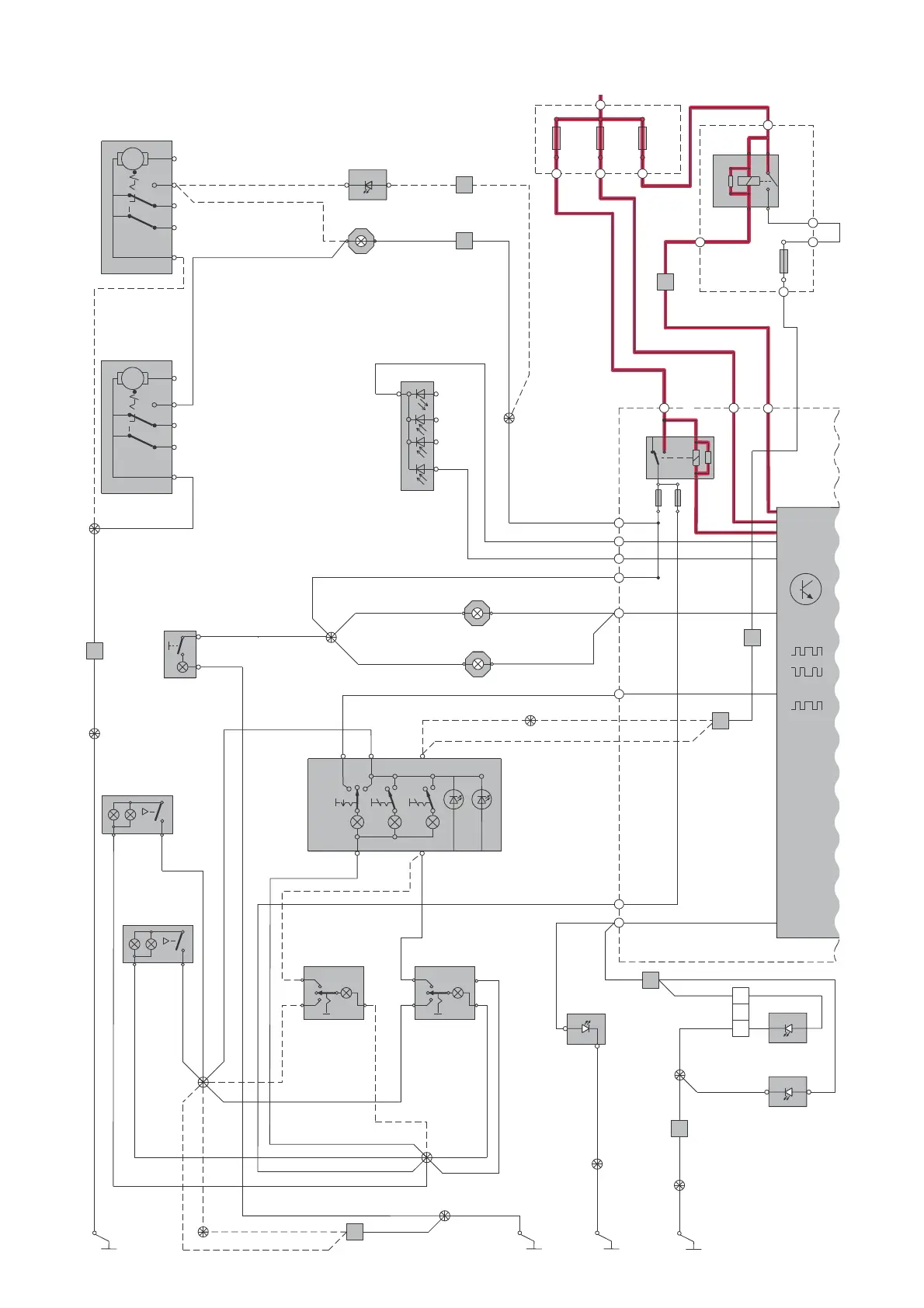
Volvo XC60 2012 - Interior Lighting, LHD 1:2

Volvo XC60 2012
308 pages
Print Icon
To Next Page IconTo Next Page
To Next Page IconTo Next Page
To Previous Page IconTo Previous Page
To Previous Page IconTo Previous Page
Loading...
TP39215202 XC60 2012 85
BK-WH
BK-WH
BK-WH
73/4014
73/4020
73/4016
73/5026
73/5023
C1:14
BU-WH
BU-WH
10/114
10/115
31/10
10/29
31/83
31/15
1 3
1
3
73/4019
10/125
BU-WH
BU-WH
BU-WH
BU-WH
BU-WH
BK-WH
BK-WH
BU-WH
BU-WH
GY-VT
BK
BK
BK-WH
BK-WH
BK-WH
BK-WH
BK-WHBK-WH
73/4012
10/126
1
1
2
2
1
2
BU-RD
BU-RD
BU-RD
BU-RD
BK-GN
BK-GN
BK-GN
BK-GN
BK-GN
GY-BK
GY-BK
CEM
CAN
LIN
1 On
12
3
21 21
2 Off
3 Ctsy
3/117
1
2
MAP READING
C1:4
C1:9C5:2 C5:1
C3:56
C3:55
C1:12 C1:9
C1:7
C4:14
C4:18
73/4031
BU-GYPANROOF PANROOF BU-GY
BU-GY
10/22
3/272
C3:69
73/5044
GY-BK
BK-OG
BK-OG
73/5030
4/56
BU-WH
7/12
BU-BN
GY-YE
4
1
3
5
C3:1
C3:19
74/414
4
74/403
74/530
7
8
74/409
74/414
3
1
2
3
10/150B
14
13
16/181
10/72
5
6/8
M
4
2
6/8
M
3
5
3/291
10/25
4
2
BK
74/604
2
BU-WH
BU-WH
BU-WH
C2:70BU-WH
73/4013
31/47
3
4
1
10/150A
2
YE-BU
BU-BK
BK
BK
74/602
12
73/6001
BK-OGBK-OG
YE-BU
BU-GY
BK-OG
PANROOF
POT
4
PANROOF
PANROOF
2
1
3
74/602
6
1
2
F3
2
RD-BK
RD-BU
11A/4
2
1
30+
11A/2
2
1
11A/1
2
1
15/31
2
1
5
3
15/36
RD
11C/21
1
2
R4
2/193
RD-GY
74/504
VT-GN
BU-GY
VT-GN
14
18
I01037
1
2
F6
BU-WH
Group 35 Lighting
Interior lighting, LHD 1:2

Table of Contents