EasyManua.ls Logo

Volvo XC60 2012 - Engine Management System 6-Cyl. B6324 S4 1:2

Volvo XC60 2012
308 pages
Print Icon
To Next Page IconTo Next Page
To Next Page IconTo Next Page
To Previous Page IconTo Previous Page
To Previous Page IconTo Previous Page
Loading...
TP39215202 XC60 2012 65
1 Au
Au
Au
Au
2
MAF
R10
2
1
2/32
8/9
1
2
8/10
1
2
2(85)
1(86)
3(30)
5(87)
8/8
1
2
2
1
8/7
30+
2
1
8/11
WH
7/17
4
3 Au
Au
Au
5
YE-VT
BU-GY
BU
YE
BU
BK-OG
BK-RD
BK-RD
BK-YE
BK-YE
BK-RD
BK-RD
BK-RD
31/89
31/88
4
2
2
3
1
20/6
43
1
20/4
VT-BN43
1
20/8
20/5
1
34 BU-OG
GY-BK
VT-BK
YE-GY
YE-GY
YE-GY
YE-GY
YE-GY
43
1
20/7
WH
YE-BU
BU-BN
BU-BN
WH
73/3058
GN-VT
YE-BU
BU
BU-GN
WH-BN
WH
WH
WH
WH
WH
WH
73/3004
73/3039
4/46
7/23
YE-RD
GN-RD
B
A
A:82
A:80
A:83
A:79
A:81
A:66
A:14
A:60
A:59
A:43
A:61
A:20
A:58
A:57
A:56
A:24
A:23
A:69
B6324S4
6 CYL
ECM
CAN
YE-GY
D
GY-BU
C
7/25
YE-VT
GN-BN
A:30
A:6
1 Au
Au
2
1
2
7/24
VT-OG
GY-BK
A:42
A:19
BU-RD
A:46
A:71
A:63
P
7/156
3
2
1
4
GY-BU
GYGY
GY
BU-BN
BU-OG
BU-BN
BU-BN
A:70
2
2
1
VT-BN
A:22
BU-RD
YE-OG
VT-GY
GY-YE
GN-BU
BU-BN
A:21
A:47
Ag
Ag
Ag
Ag
Ag
Ag
Ag
Ag
Ag
Ag
Ag
Ag
Ag
Ag
Ag
Ag
Ag
Ag
Ag
Ag
Ag
Ag
Ag
Ag
Ag
Ag
Ag
Ag
Ag
Ag
Ag
Ag
Ag
Ag
Ag
Ag
Ag
Ag
Ag
Ag
Ag
15/31
11
2
11B/37
2
11B/36
1
2
11B/35
11B/30
73/3053
73/3010
73/3009
1
2
1
8/6
A:78
GN-WH
GY-VT
RD-VT
BU
A:38
GN
A:39
1
3
6/139
1
3
6/140
1
2
11B/38
1
2
11B/41
1
2
7/166
3
Ag
Ag
Ag
A:73
6
5
4
3 Au
Au
Au
Au
2
1
ETA
6/120
BU-GN
BU-OG
A:75
A:13
A:74
A:17
YE
A:67
YE-VT
GN-VT
BU-RD
A:48
A:65
M
M
M
BK-OG
YE-GY
43
1
20/3
1
2
7/81
3
BU-BN
A:92
Ag
P
GY-BU
GY-BU
GY-BU
7/16
7/200
A:68
BK-YE
BK-YE
BK-YE
73/3133
73/3094
31/XX10
QLT
1
2
3
21
20/16
+
YE-GY
BK-RD
ACM
G
LIN
6/26
C2:1
73/3095
LIN
I01011
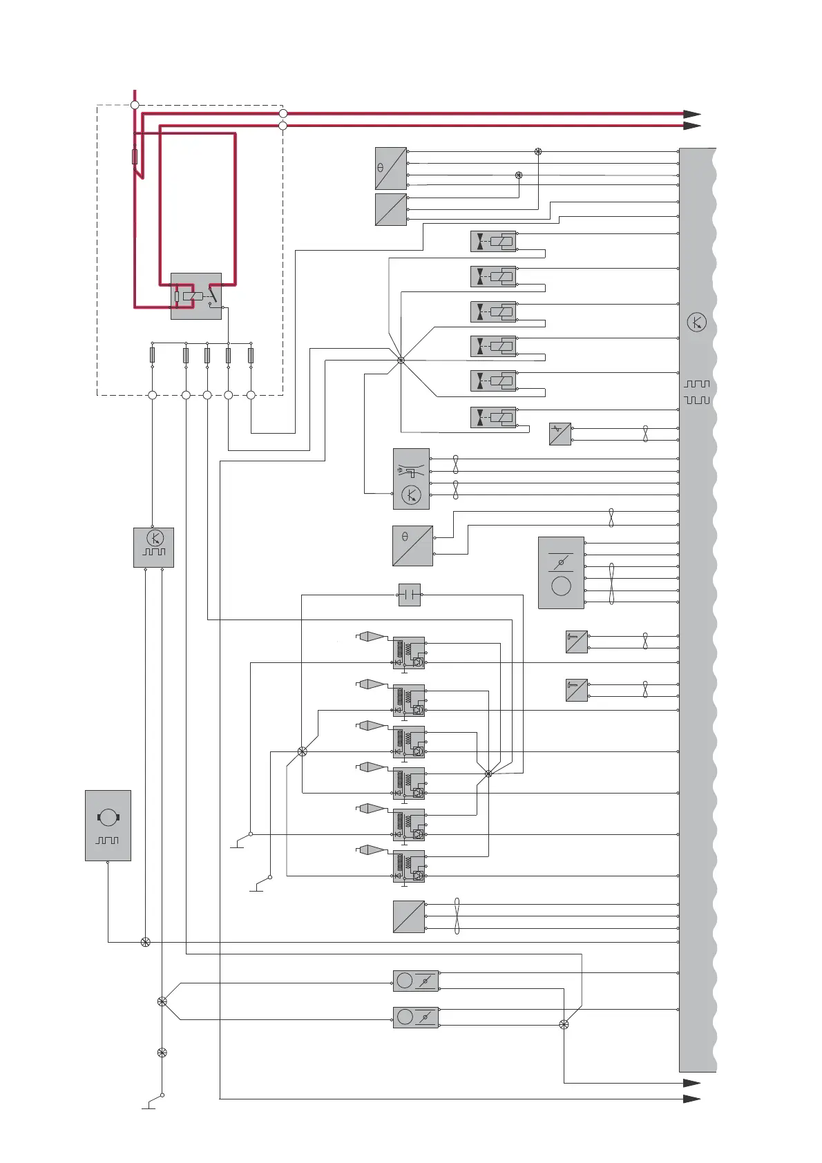
Group 28 Ignition and control system
Engine management system 6-Cyl. B6324S4 1:2

Table of Contents