EasyManua.ls Logo

Volvo XC60 2012 - Climate Control System 5-Cyl. & 6-Cyl. 1:2

Volvo XC60 2012
308 pages
Print Icon
To Next Page IconTo Next Page
To Next Page IconTo Next Page
To Previous Page IconTo Previous Page
To Previous Page IconTo Previous Page
Loading...
TP39215202 XC60 2012 166
6/28
ECM
4/46
C1:12
C1:3
C1:2
30+
1
2
11B/38
11A/2
2
1
1
2
11A/1
4/31
4/6
C°/F°
+
-
2
1
2
3
BK
VT-BKVT-BK
C1:4
CEM
4/56
CAN
CAN
CAN
LIN
7/8
P
P
5 CYL
C1:1
C2:1
WH-GN
y
M
x
M M
F
6/62
MEM
X
MEM
Y
17
18
1
2
7/12
BN-BU
3
5
7
4
1
2
3
5
22
73/4028
74/401
C1:17
C1:5
C1:22
C1:14
C1:16
BN-VT
YE-VT
WH-GN
BK
73/4016
31/83
BK
BK
C5:1
C3:73
C5:2
C1:31 C1:30
C3:1
C3:2GY-YE
BK-WH
WH
Au
Au
74/507
74/504
74/301
7/69
31/10
1
14 13 15
132
BN
GN-BN
GY-BN
B:32
A:94
B:8
B:23
B:16
B:55
ECM
4/46
CAN
I5D
VED5
I6
I6T
B6324S2
B:10
A:85
Ag
Ag
Ag
Ag
Ag
Ag
B:31
B:51
B:53
B:27
GY-BU
GY-BU
GY-BK
GY
GY-BN
GN-BN
BN
GY-VT
GY
GY-BN
GN-BN
BN
GY-VT
11B/11
2
1
5(87)
3(30)
1(86)
2(85)
2/32
R10
5(87)
3(30)
1(86)
2(85)
2/22
R13
1
2
11B/33
1
2
11B/30
VT-WH
VT-WH
11B/32
1
2
1
74/411
15/31
8/3
A
LIN
6
7
BK-WH
WH
BK-WH
WH
BK-WH
WH
B:34
B:35
Ag
Ag
C2:2
1
2
F14
YE-RDYE-RD
YE-RD
YE-RD
74/401
RD-BU
RD-BK
4
CCM
VT-BN
C1:1
RD
RD
BK-WH
8
74/301
73/3039
B:24
B:15
C1:2C1:3
BK-WH
WH
6 CYL
Ag
Ag
Ag
Ag
Ag
Ag
Ag
Ag
2
C3:20YE-OG
4
1
I01156
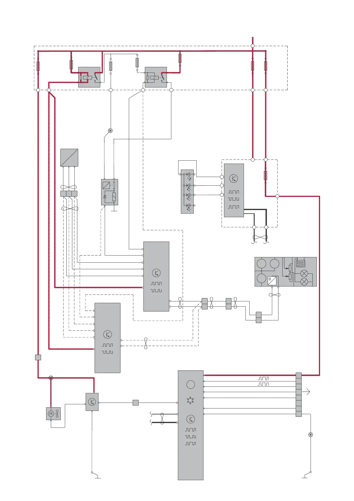
Group 87 Climate control system
Climate control system 5-Cyl. & 6-Cyl. 1:2

Table of Contents

Related product manuals