EasyManua.ls Logo

Volvo XC60 2012 - Engine Management System 6-Cyl. 1:2

Volvo XC60 2012
308 pages
Print Icon
To Next Page IconTo Next Page
To Next Page IconTo Next Page
To Previous Page IconTo Previous Page
To Previous Page IconTo Previous Page
Loading...
TP39215202 XC60 2012 63
W/O Turbo
1 Au
Au
Au
Au
2
MAF
R10
2
1
2/32
8/9
1
2
8/10
1
2
2(85)
1(86)
3(30)
5(87)
8/8
1
2
2
1
8/7
2
1
8/11
WH
7/17
4
3 Au
Au
Au
5
YE-VT
BU-GY
BU
YE
BU
BK-OG
BK-RD
BK-RD
BK-YE
BK-YE
BK-RD
BK-RD
BK-RD
31/89
31/88
4
2
2
3
1
20/6
43
1
20/4
VT-BN43
1
20/8
20/5
1
34 BU-OG
GY-BK
VT-BK
YE-GY
YE-GY
YE-GY
YE-GY
YE-GY
43
1
20/7
WH
WH
73/3058
GN-VT
YE-BU
BU
BU-GN
WH-BN
WH
WH
WH
WH
WH
WH
73/3004
73/3039
4/46
7/23
YE-RD
GN-RD
B
A
A:82
A:80
A:83
A:79
A:81
A:66
A:14
A:60
A:59
A:43
A:61
A:20
A:58
A:57
A:56
A:24
A:23
A:69
6 CYL
ECM
CAN
YE-GY
D
GY-BU
C
7/25
YE-VT
GN-BN
A:30
A:6
1 Au
Au
2
1
2
7/24
VT-OG
GY-BK
A:42
A:19
BU-RD
A:46
A:71
A:63
P
7/156
3
2
1
4
GY-BU
GYGY
GY
BU-BN
BU-OG
BU-BN
BU-BN
A:70
2
2
1
VT-BN
A:22
BU-RD
YE-OG
VT-GY
GY-YE
GN-BU
BU-BN
A:21
A:47
Ag
Ag
Ag
Ag
Ag
Ag
Ag
Ag
Ag
Ag
Ag
Ag
Ag
Ag
Ag
Ag
Ag
Ag
Ag
Ag
Ag
Ag
Ag
Ag
Ag
Ag
Ag
Ag
Ag
Ag
Ag
Ag
Ag
Ag
Ag
Ag
Ag
Ag
Ag
Ag
Ag
15/31
11
2
11B/37
2
11B/36
1
2
11B/35
11B/30
73/3053
73/3010
73/3009
1
2
1
8/6
A:78
GN-WH
GY-VT
RD-VT
BU
A:38
GN
A:39
1
3
6/139
1
3
6/140
1
2
11B/38
1
2
7/166
3
Ag
Ag
Ag
A:73
6
5
4
3 Au
Au
Au
Au
2
1
ETA
6/120
BU-GN
BU-OG
A:75
A:13
A:74
A:17
YE
A:67
YE-VT
GN-VT
BU-RD
A:48
A:65
M
M
M
BK-OG
YE-GY
43
1
20/3
1
2
7/81
3
P
GY-BU
GY-BU
GY-BU
7/16
A:68
BK-YE
31/XX10
73/3094
QLT
1
2
20/16
+
YE-GY
BK-RD
30+
I01010
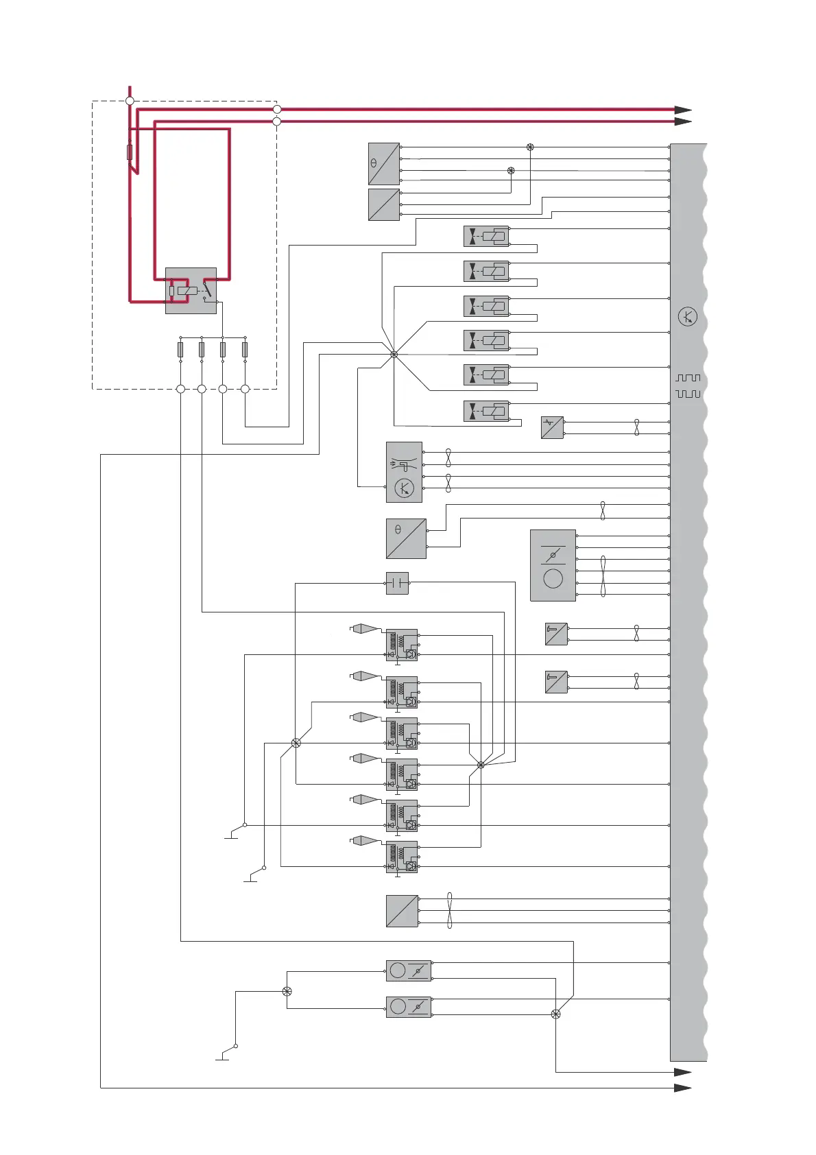
Group 28 Ignition and control system
Engine management system 6-Cyl. 1:2

Table of Contents