EasyManua.ls Logo

Voyager AOM701 - TYPICAL SYSTEM CONNECTION

Voyager AOM701
12 pages
Print Icon
To Next Page IconTo Next Page
To Next Page IconTo Next Page
To Previous Page IconTo Previous Page
To Previous Page IconTo Previous Page
Loading...
8
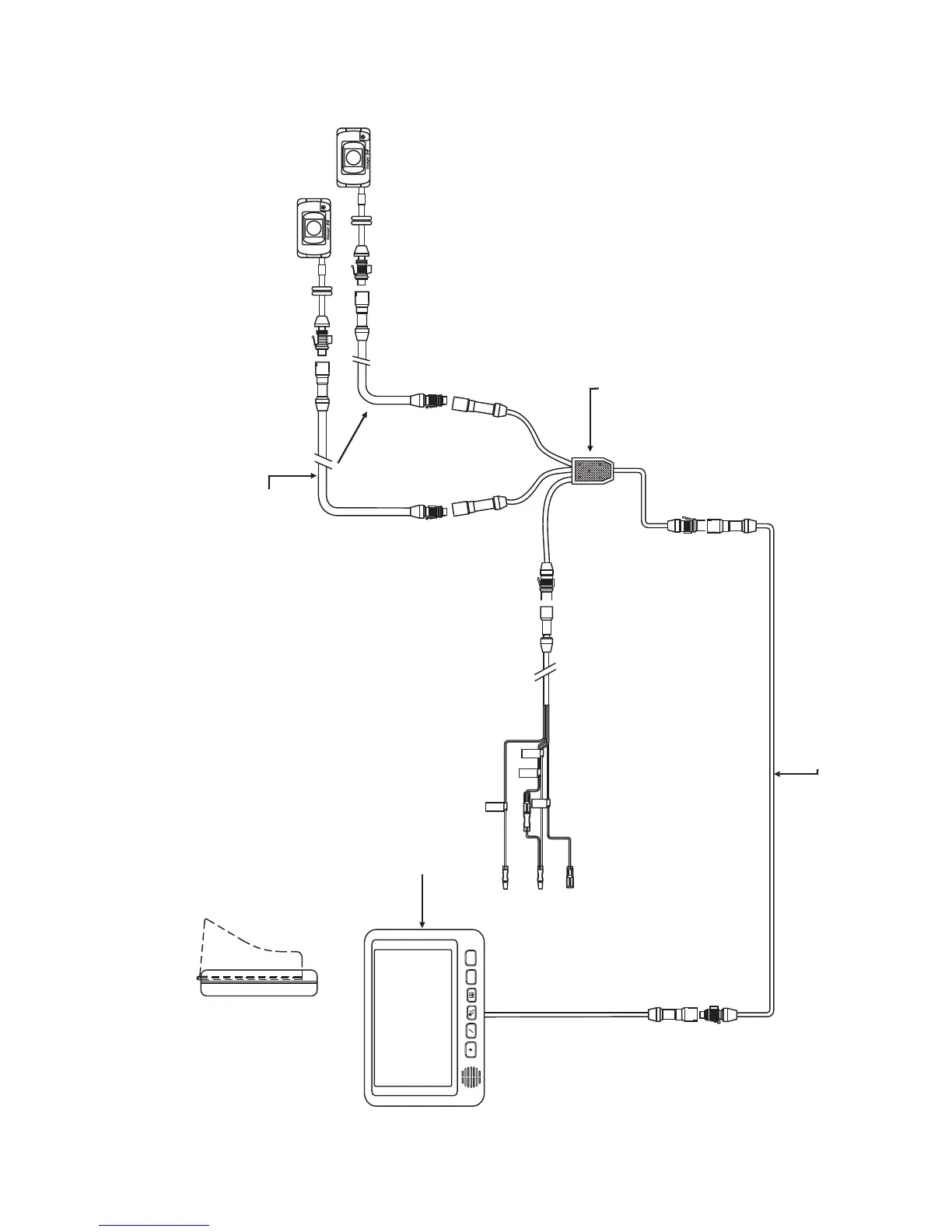
TYPICAL SYSTEM CONNECTION
(RED) +12V SWITCHED
(WHITE) AUDIO TRIGGER
(BLUE) +12V STANDBY TRIGGER
(BLACK) CHASSIS GROUND
AOM701 LCD MONITOR
5’ INTERMEDIATE CABLE
ACCESSORY ITEMS
(optional cable lengths available,
contact customer service for
specifics)
CONNECTION CABLE
GND
TRIGGER (+12V)
STANDBY
TRIGGER (+12V)
AUDIO
ACC (+12V)
S
S
++

Other manuals for Voyager AOM701

Related product manuals