EasyManua.ls Logo

WABCO 4S/2M - Page 16

WABCO 4S/2M
40 pages
Print Icon
To Next Page IconTo Next Page
To Next Page IconTo Next Page
To Previous Page IconTo Previous Page
To Previous Page IconTo Previous Page
Loading...
16
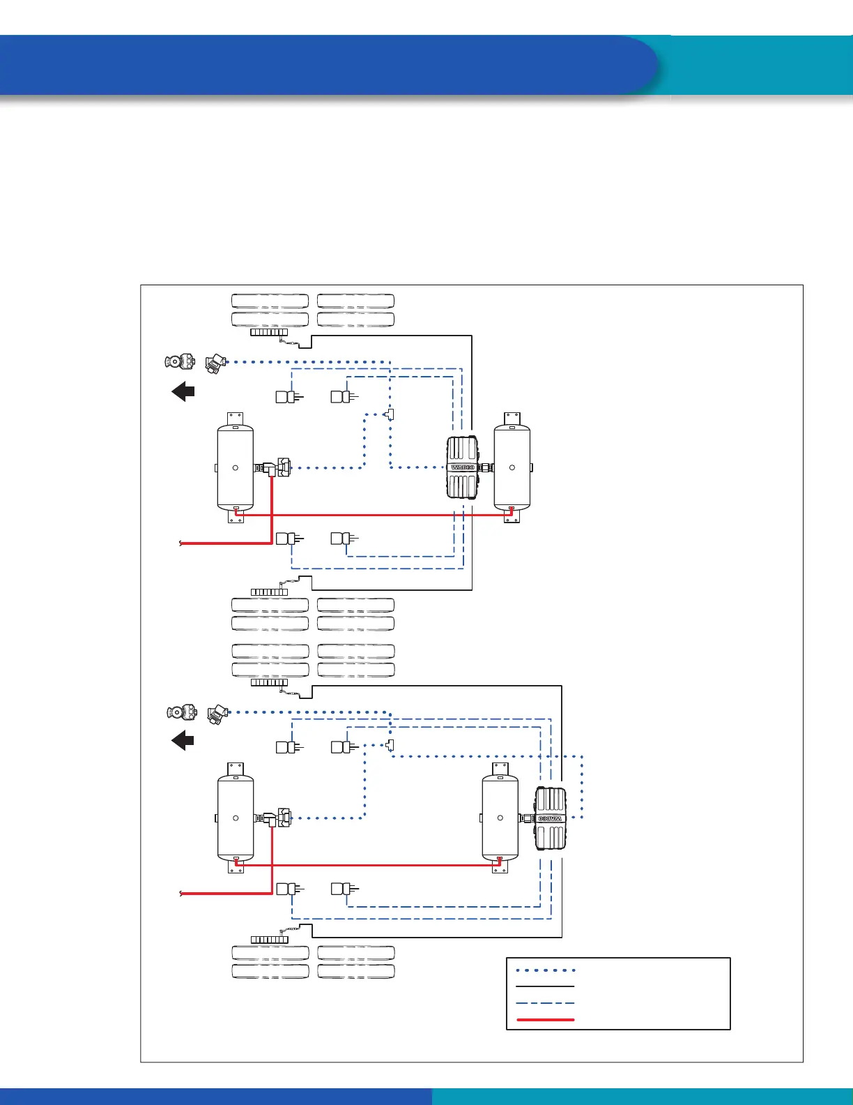
Installation
Typical Trailer iABS Installations
Refer to Figure 12 through Figure 18 for typical trailer ABS installations.
WABCO recommends placing the sensors on the axle that will provide the most braking performance. This
is based on the way the suspension reacts during heavy braking applications. The trailer manufacturer can
help provide this information. The following Figures 12 through 18 are recommendations for many of the
standard trailers built in North America.
Fig. 12
P
O
W
E
R
S
U
P
P
L
Y
A
B
S
S
E
NS
O
R
F
A
B
S
S
E
N
S
O
R
D
G
IO
1
S
U
B
S
Y
S
T
E
M
/
D
IA
G
N
O
S
T
IC
3
rd
M
ODU
L
A
T
OR/
GIO
2
A
B
S
S
E
N
S
OR
E
A
B
S
S
E
N
S
O
R
C
P
O
WE
R
SUP
P
LY
A
BS SENSO
R
F
A
BS SEN
SO
R
D
GI
O
1
SUBSY
S
T
E
M
/
D
I
A
GN
O
S
T
I
C
3r
d
M
OD
ULA
TOR/GI
O
2
A
BS
S
E
N
SOR E
A
BS SEN
SOR
C
NOTE: Spring brake
lines not shown.
SERVICE/CONTROL LINES
SENSOR CABLES
SERVICE BRAKE
SUPPLY AIR
NOTE: Spring brake
lines not shown.
4013983a
D
C
2S/2M VALVE MOUNTED WITH CONTROL PORT
FACING FRONT OF TRAILER — SIDE-TO-SIDE CONTROL
FRONT OF
TRAILER
2S/2M VALVE MOUNTED WITH CONTROL PORT
FACING REAR OF TRAILER — SIDE-TO-SIDE CONTROL
FRONT OF
TRAILER
C
D

Related product manuals