EasyManua.ls Logo

WABCO 4S/2M - Page 17

WABCO 4S/2M
40 pages
Print Icon
To Next Page IconTo Next Page
To Next Page IconTo Next Page
To Previous Page IconTo Previous Page
To Previous Page IconTo Previous Page
Loading...
17
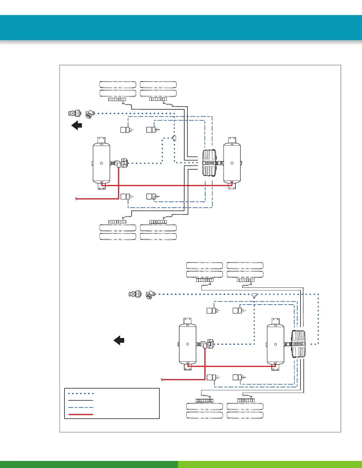
Installation
Fig. 13
Typical Tandem Axle Trailer
D
C
C
F
F
E
E
D
Typical Tandem Axle Trailer
NOTE: Spring brake
lines not shown.
SERVICE/CONTROL LINES
SENSOR CABLES
SERVICE BRAKE
SUPPLY AIR
NOTE: Spring brake
lines not shown.
P
O
W
E
R
S
UP
P
L
Y
A
B
S
S
E
NS
OR
F
AB
S
S
E
NS
OR
D
GI
O
1
S
UB
S
Y
ST
E
M/
D
I
A
GNOST
I
C
3
r
d
M
O
D
U
L
A
TO
R
/
G
IO
2
AB
S
S
E
NS
O
R
E
AB
S
S
ENSOR
C
4S/2M VALVE MOUNTED WITH CONTROL PORT FACING FRONT OF TRAILER — SIDE-TO-SIDE CONTROL
FRONT OF
TRAILER
FRONT OF
TRAILER
4S/2M VALVE MOUNTED WITH CONTROL PORT FACING REAR OF TRAILER — SIDE-TO-SIDE CONTROL
4013989a
P
O
WE
R
SUP
P
LY
A
BS SEN
SO
R
F
A
BS SENSO
R
D
G
I
O
1
SUBS
Y
S
T
E
M
/
D
I
A
G
N
O
S
T
I
C
3r
d
M
OD
ULA
TOR/GI
O
2
A
BS
S
E
N
SOR E
A
BS SEN
SOR
C

Related product manuals