EasyManua.ls Logo

Waeco PP1002 - Page 5

Waeco PP1002
Print Icon
To Next Page IconTo Next Page
To Next Page IconTo Next Page
To Previous Page IconTo Previous Page
To Previous Page IconTo Previous Page
Loading...
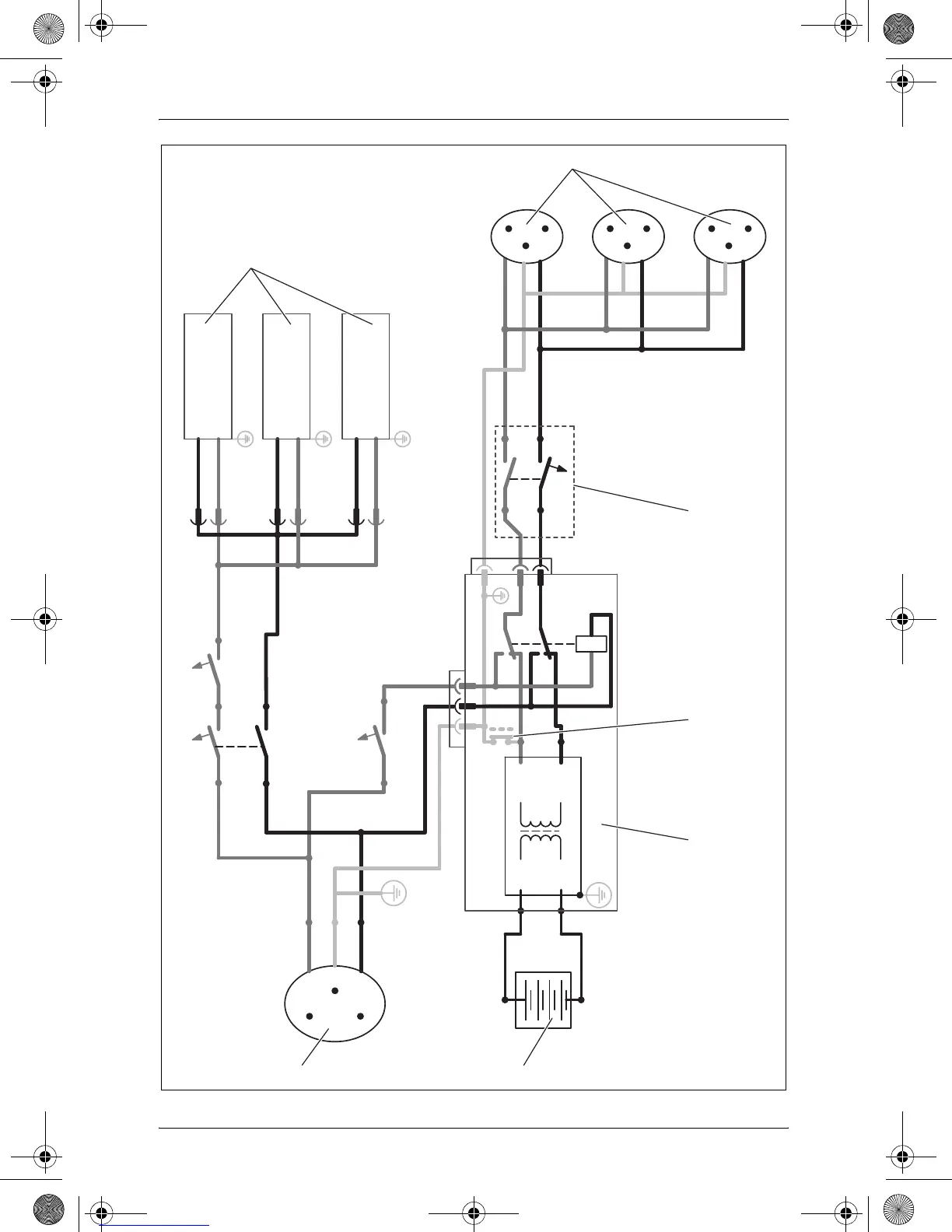
PerfectPower
5
Input
230 V AC
Output
230 V AC
L1
PerfectPower
DC
Input
DC
230 V AC
FI 2
FI 1
PE
N
L1
PE
N
L1
PE
N
L1
PE
N
654
1
3
7
2
6
_PP1000_PP2000.book Seite 5 Dienstag, 6. April 2010 4:31 16

Table of Contents

Related product manuals