EasyManua.ls Logo

WarmFlow Agentis B26 - Internal Two Channel Programmer and Room Thermostat, Optional Outdoor Sensor

Default Icon
136 pages
Print Icon
To Next Page IconTo Next Page
To Next Page IconTo Next Page
To Previous Page IconTo Previous Page
To Previous Page IconTo Previous Page
Loading...
Page 61
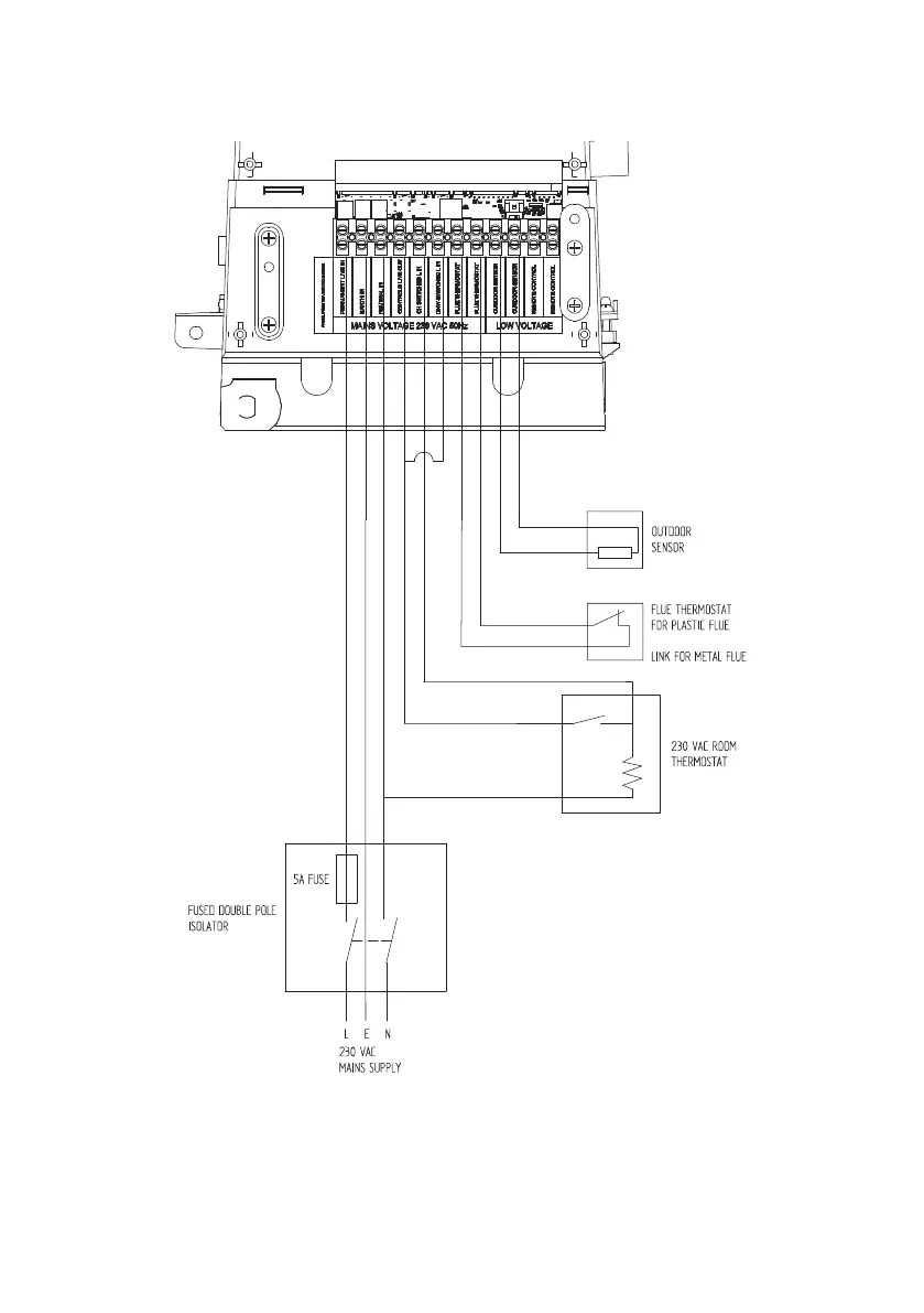
6.3.4 Internal Two Channel Programmer and Room Thermostat, Optional Outdoor
Sensor

Table of Contents

Related product manuals