EasyManua.ls Logo

WarmFlow Agentis B26 - Honeywell Y Plan - Independent CH & DHW (Fully Pumped Only)

Default Icon
136 pages
Print Icon
To Next Page IconTo Next Page
To Next Page IconTo Next Page
To Previous Page IconTo Previous Page
To Previous Page IconTo Previous Page
Loading...
Page 72
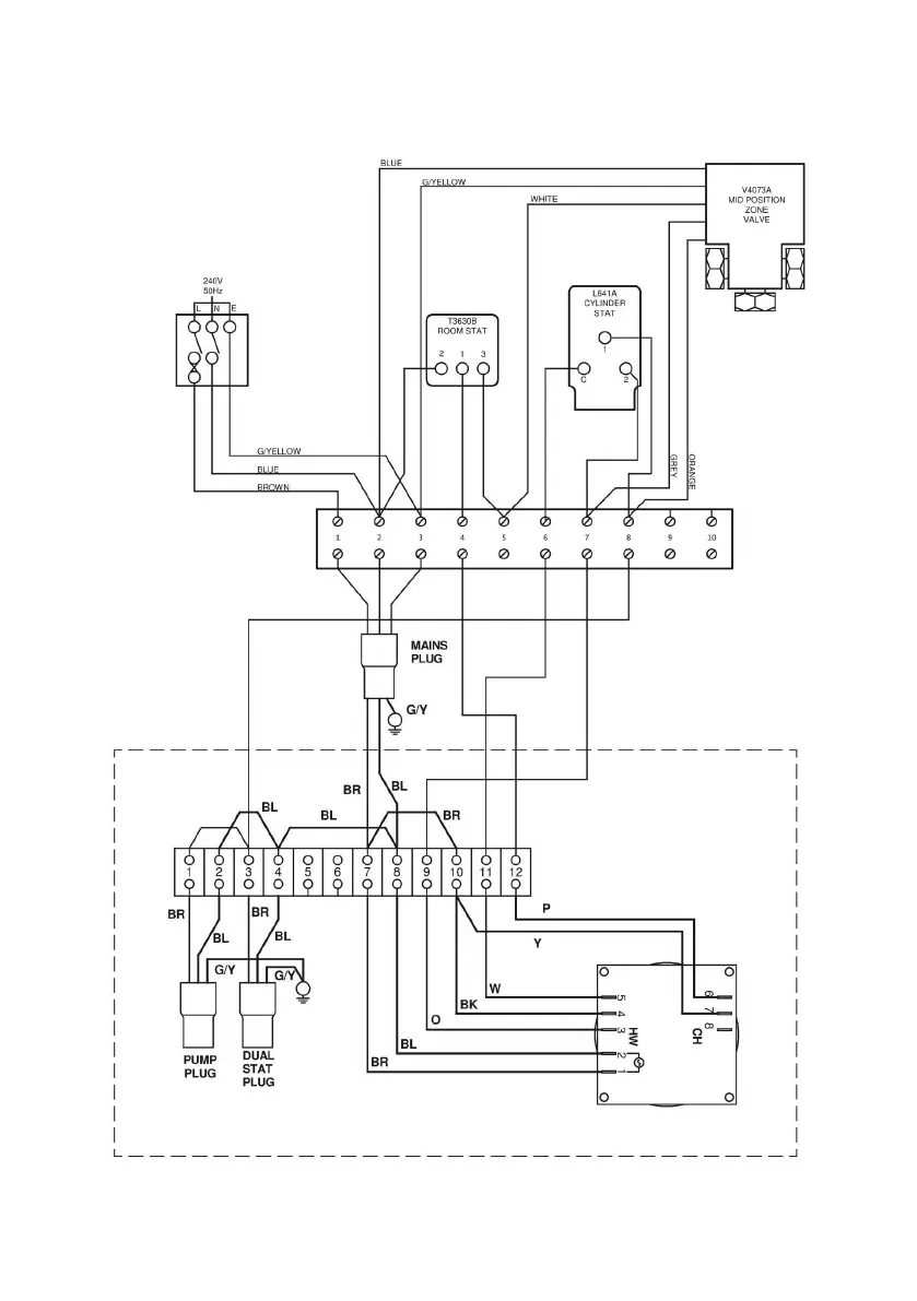
6.6.9 Honeywell ‘Y’ Plan – Independent CH & DHW (Fully Pumped Only)
2 CHANNEL TIMECLOCK

Table of Contents

Related product manuals