EasyManua.ls Logo

Warmtech WTCAC15-DU - Schema de Cablage

Warmtech WTCAC15-DU
Print Icon
To Next Page IconTo Next Page
To Next Page IconTo Next Page
To Previous Page IconTo Previous Page
To Previous Page IconTo Previous Page
Loading...
19
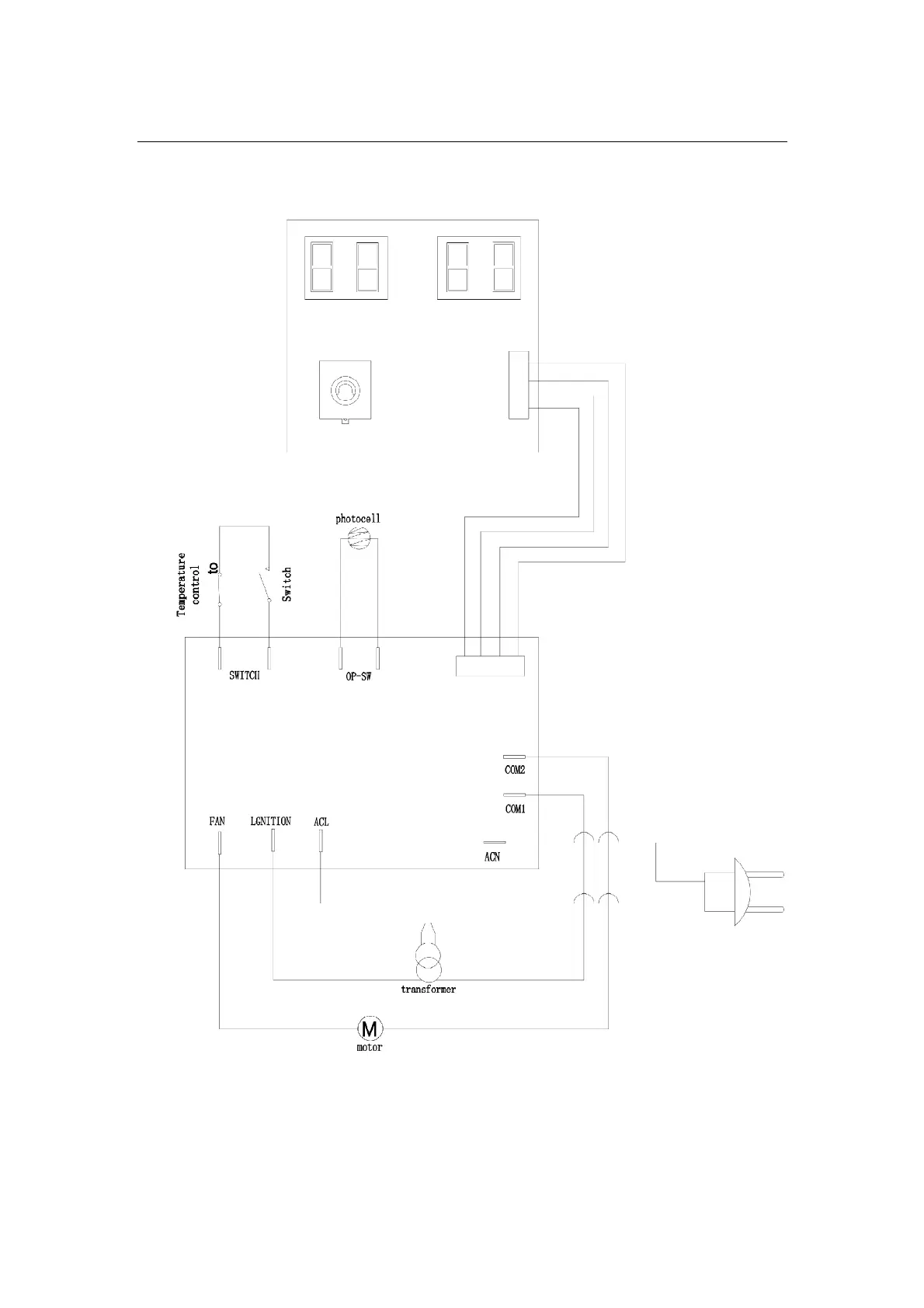
SCHEMA DE CABLAGE