EasyManua.ls Logo

Wavetek 142 - Page 36

Wavetek 142
40 pages
Print Icon
To Next Page IconTo Next Page
To Next Page IconTo Next Page
To Previous Page IconTo Previous Page
To Previous Page IconTo Previous Page
Loading...
w
\
^
77>=tr=9''
>SdOJ^
4?/0
I
T//=>e9
'
^/-5i/
7-
,^SL/
<se^
©
A
^e/V3(i^2
<?3
^
eA/3&4e/(±
\eAJ3642
'
Bi.cy£
©
BIOS
©
e^
36
<2
{
+J.
c/
/OOC>M/=^
SS7
^
1
6^TC/
/.
3
^>
T h
3.9K
’-CB9
+jc
9
J+
C/O
'(S>/e
]
eA73(^42
•^B/U3(i42
.
aJ<TC3
*
~
<^^
7
ax.
^37
T\>^~
3
'
A32.
<
K
3B/
30^
C2Z
07S3.- £//U(.£SS OTA7
£jSW/S£
S
7VC/£/£C>
-it
yA/^>/<ry47SS /^^',47^A/££i
B4/^, B/£
f
'ie/9
/£3fJXr-?&/€’i5'
^j££
//£l^,
/OVo
SiyeSiSSS
£}^e
B£>
£/£C7.££?
AA//U3BeS,
t.£.Q^£TC, AEE ^V/S/A/6
/Ay7£je<Z)A/A/S£7'/OA/ BH/AjTS.
,t^G£>££
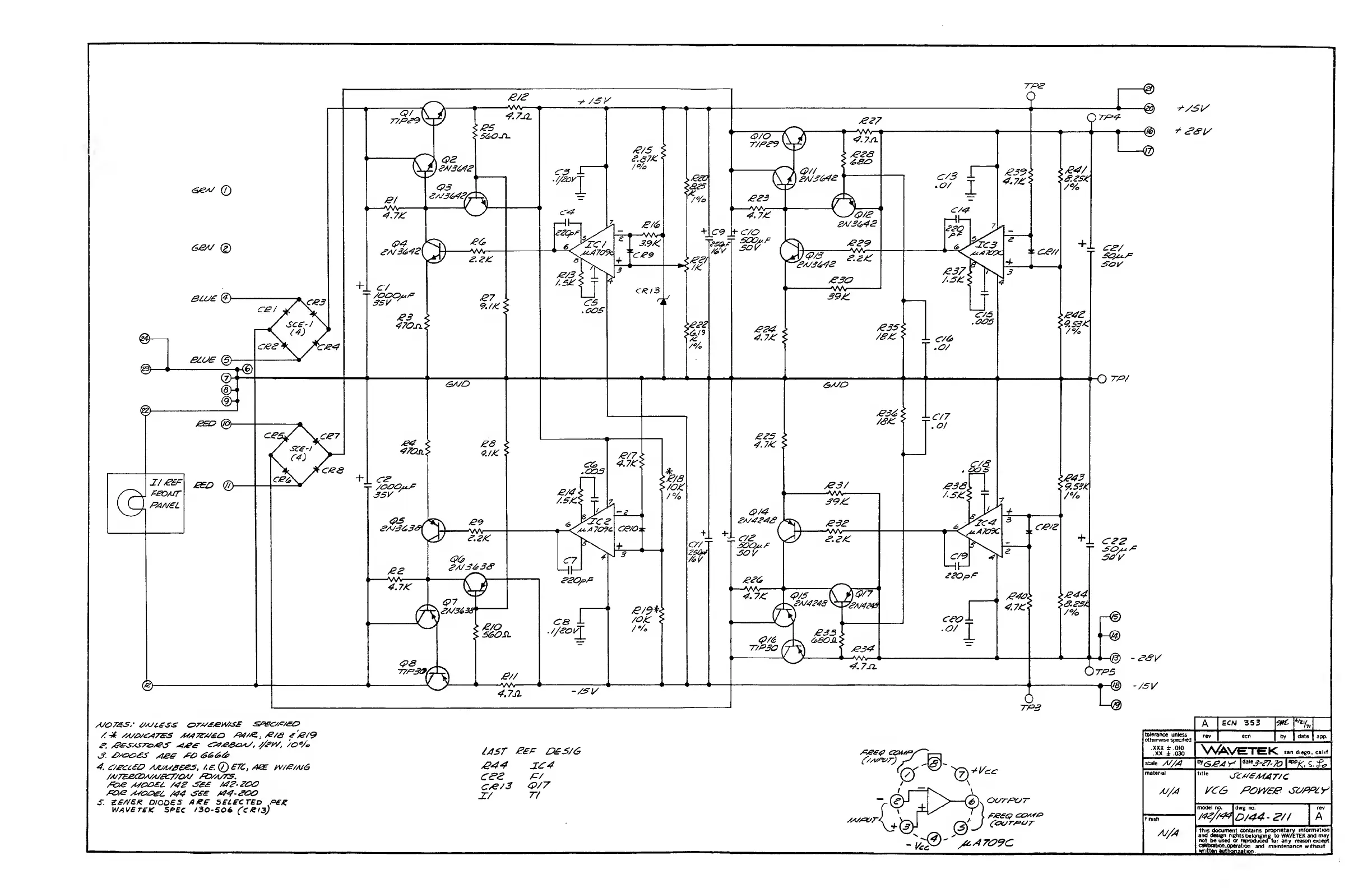
/42
3££ /2
2-
200
BO/S
^0/a££
/B4
3££
/BB-200
S.
££N£K
DIODES
Age SELECTED
££g
WAVETEK
SPEC
tSO-SOE
(CKIS)
l/SST
/2£B
0£S/6
/e/1^4 J04
C
2’2
C/e/3
cp/7
Z/
77
/‘/xe/p
czM^2
^^700
(£\
OC/T-BC/T-
,
(
/^££0
<OOA¥B
A
)
(Aoc/rBC/r
/^ZTO^C
I*'''/,, I
’‘xx
*:gM
NA4\VETEK
sand,ep,,cal,t
SC3I.
A///I
'r'
Y^^s-e?-^
\^k,
s-
mat«»l
title
Ci:///£Bf/tT/C
A//4
/c&
Poi/V£e
soBPiy
model
no.
dwg no.
rev
finish
\/42//4Ad/44-Z// a

Related product manuals