EasyManua.ls Logo

Wavetek 180 - Page 25

Wavetek 180
33 pages
Print Icon
To Next Page IconTo Next Page
To Next Page IconTo Next Page
To Previous Page IconTo Previous Page
To Previous Page IconTo Previous Page
Loading...
THIS
DOCUMENT
CONTAINS
PROPRiETAflY
INFOR
MATION
AND
DESIGN
RIGHTS
BELONGING
TO
WAVETEK
AND
MAY
NOT
BE
REPRODUCED
FOR
ANY
REASON
EXCEPT
CALIBRATION.
OPERATION.
AND
MAINTENANCE
WITHOUT
WRITTEN
AUTHORIZATION.
fCAJ
/S/O
^CA/
/■45'=i
QklS
TJP50
lft.W
S*
i^aK
avL
awsiaR
•H5V
V»5V
l(£kV.
loqo/^s
2)auviif\
(eis
i?(0
-i~
\DOf
\01o
Z.NS»a«l
(Z)
+
15V
lew
s,
R13
\
470
K
3400
y
l/tVU
Sf.
zwsiyi
4-|L^V
15V
CEQUUPOOR
CZli,
lo8?f
nctA
SWEEP
NNlCT
■aSAJi
OUT
H7STEZ.es
\S
4\0Ff
OIL.*
o^{
i
f
o^l
lao
LF
OlvJLY
3,OIK
sweep
generator
XIOOK
X
lOK
X
I
K
X
100
X
ID
5
IA*d
(O
iloW
IBl
0ML7
POS
CU
REETOT
50Uec.E
TPZ
O
+«v
I
CAP
IWULT
svr^
AOX
OMLY
4\oAS\.
C30
«70
,,
^
'
-i^TF
H—4AiV
57IA
RSO
APFIK
1
^PRIL
CA304
4
44K
R4U
TBH
K
Wy
00/lbt^
VC&
&7C
i
^
SUy)
CWSOS'IvE^l
OUT]
I
K"S^
I
Cd*4-
L>rs\D
1/2NM
57o
-t5V
<—+ISV
j
*34
R4S
4PI4K
«
I.
p.-
SWI
au3905
SUll-A
35-15
Pf
SU^V-C
OMLY
FRta
AD3
5%S.lrtj
CAP>
IVIULT.
FD777
ZgXL^^CRIli
75
FF
>140^
hz
FF
"57oSV\
R47
1.0IK
+ISV
>•>-£
„.:r
IC.^3W
UEIj.
CUKREKIT
SOURCE
X
\V\
MOOK
AlOK
X
1
K
XlOO
XIO
=UOFF
l%SM
rxca
b,4v
-,.T
7
15V
4A*1K
O
evj
VC&
BUPFEZ
(AMPLIFIED
ADT.
-\5V
44.4
K
V
(ifto-
lai
ouuv)
j
4FflK
ZA4K
Cd.SXK
fx^
[offI
SUMMING
ASAFL
+]^V
I
I
0)j^
3QUPIFE
WhVE
SHftPEZ
715V
RllPl
CR139.?7A
181
OAJLV)
^3Q.lfi.W
PULSE
DOT
(TTC-)
KICT
7400
44O0
R44
7.B7K
IO?f
<1.
NONV
5V0Z.-A
—OPJI
I
Tew
D.C.
OJUto
[53
C.KZ\
RlSto
ZK5
(OO
1/2W
U05\B
Q2£i
ZH340
Z4flX
Pi44
V
QZS
^
ikJtznA
P140
10
\
zw
S-fe
LSK
C3B
lOPF
WOIV>
RWAS
|2JK^I,5K?^SWIZ-B
y
,,5^7
C4^
ISFTT
RII4
ZIZO
RICO
7.S7K
%\uz
-A
IX
\Ol^
4.'0r>lK
/SMPLHUDE
O
T1
rc57r
Z20F
C58,,SQ/S0
R14
QZA
ElT-l
4A<A
TT
I
SVWC
4
R1T7
3>,UZK
iRite
Its
LAST
DES
USED
ZKJS403
K\-S4
PC
OFFSE-n
I
OFF
I
KlOA
A«W
vw
ICIO
G30
CRZ4
E144
C62
VvWVETEK..
ZOO
DISF
ad:3
'*50.
^^(RI42^S7rL
latONLV^
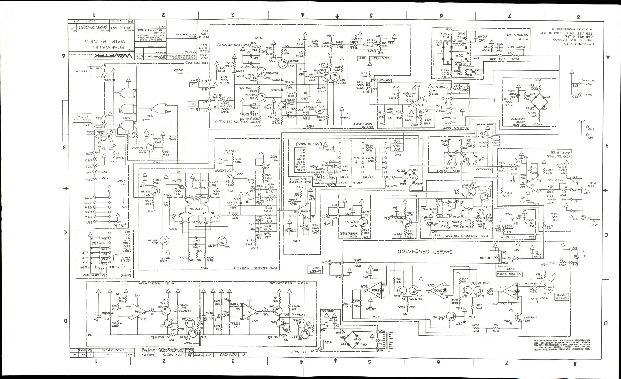
SCHEV\m
IC
MAIM
BOARO
OUTPUT
100*
-f^vw^
WOT
iibS^
K
lirtATCHED
SETS
OlODES
ARE
FDCb^G^
CAP
ARE
IM
Li.F4.
^E5
ARE
IMj^_.
I
BW
1%
IV\F
NOTE.
UNLESS
OTHERWISE
SPECIFIED
lOCK
CAO
?20Pf
-zzv
RUl
33.ZK
cen
MOT
USED
es7
CX)NOT
SCALE
DWG
O^c^.QO-o/^o
C
23338

Related product manuals