EasyManua.ls Logo

Wavetek 180 - Page 31

Wavetek 180
33 pages
Print Icon
To Next Page IconTo Next Page
To Next Page IconTo Next Page
To Previous Page IconTo Previous Page
To Previous Page IconTo Previous Page
Loading...
PULSE
^
OUT
GCV
'out
VOLTAGE
CONTROLLED
GENERATOR
BUFFER
AMPL
,
WAVEFORM
SELECTOR
FREQ
MULT
FREO
+15V
DIAL
>
SUM>
MING
AMPL
VCG
SUMMING
AMPL/^
AMPLITUDE
OUTPUT
AMPL^
VCG
IN
^
OFF
<1
■O)
LO
+15V
SWEEP
GENERATOR
DC
OFFSET
+5V
-15V
15V
SWP
INTEG
SWEEP
RATE
-15V
SWEEP
WIDTH
OFF
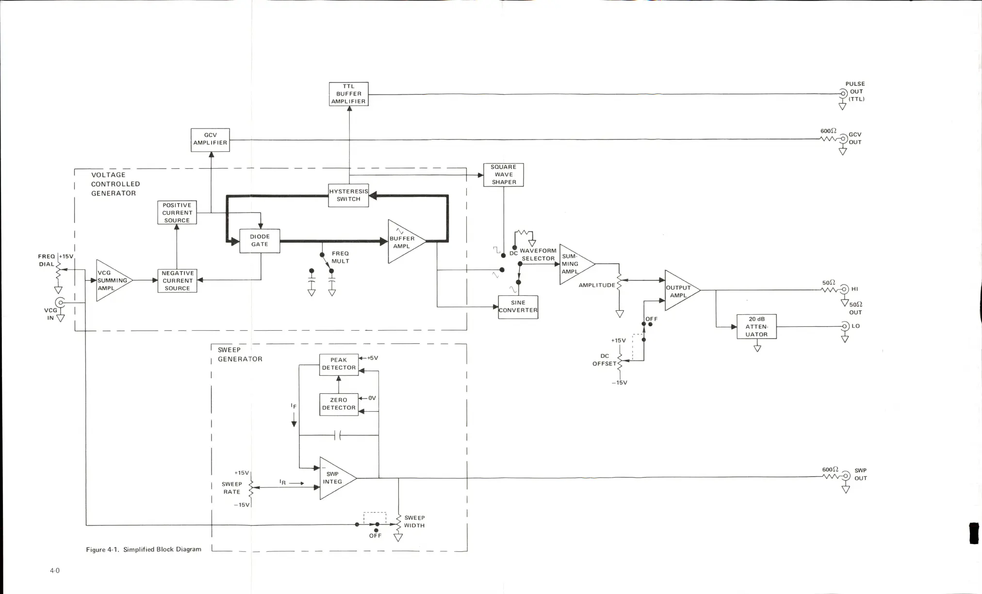
Figure
4-1.
Simplified
Block
Diagram
L
4-0
PEAK
DETECTOR
ZERO
DETECTOR
GCV
AMPLIFIER
NEGATIVE
CURRENT
SOURCE
TTL
BUFFER
AMPLIFIER
POSITIVE
CURRENT
SOURCE
HYSTERESIS
SWITCH
SINE
CONVERTER
SQUARE
WAVE
SHAPER
20
dB
ATTEN
UATOR
DIODE
GATE

Related product manuals