EasyManua.ls Logo

Wavetek FG3B - Page 34

Wavetek FG3B
44 pages
Print Icon
To Next Page IconTo Next Page
To Next Page IconTo Next Page
To Previous Page IconTo Previous Page
To Previous Page IconTo Previous Page
Loading...
-------------------------------
-FA1i1P
.
C.i-
--
-FiiiN-P:ë~--
------------------------------
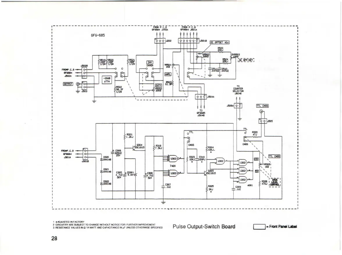
GFG-685
,.,...C
.B
--l'o-1-....J
.......
J301A
0321
UWto48
lll22
11Mio48
C308
22DUZ
25Y
C3DO
4.7UZ
SDY
A321
1.2KJ
SF&684
..12021
GF&684
..eou
'
----------------~
TO
GF66115
.......
11325
2IW
.
TD
COUITER
SELECT
OR
.......
'~
'
'
""""'
,
1
mil' ' 1
""'
''
''
1
''
A326
:
---
:
470JI&I
~------------------------------------··----------------------------------------·
1
•ADJUSTED
IN FACTOAY
2 CIACUITAY ARE SUBJECT TO CHANGE
WTiiOU
T NOTICE
FOR
FUATHEA IMPAOVEMENT
3 RESISTANCE
VAt.UESINQ
1(4
WATT AND CAPACITANCE
IN~
UNLESSOTHERWISESPECIFIEO
Pulse Output-Switch Board
c:::J F
ran!
P.nel
LADII
28

Related product manuals