EasyManua.ls Logo

Wavetek FG3B - Page 36

Wavetek FG3B
44 pages
Print Icon
To Next Page IconTo Next Page
To Next Page IconTo Next Page
To Previous Page IconTo Previous Page
To Previous Page IconTo Previous Page
Loading...
,--------------------------------------r--------------------------------------,
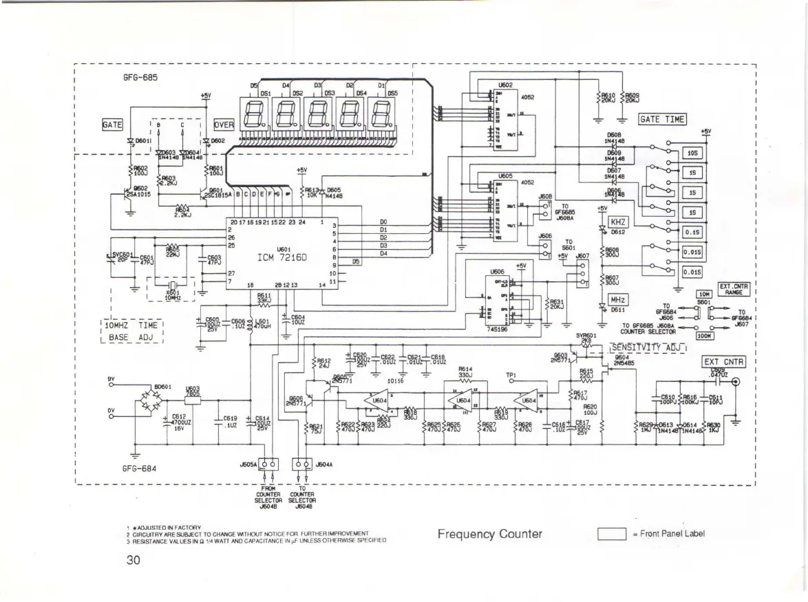
GFG-685 1 1
1
1
1
1
1
1
06011
1
-1------
1
IOMHZ
TIME
1
1 1
L
~A_§E
_
_!'~J
_
1
9V
OV
+5V
1.601
ICM
72160
00
0!
02
jGATE
TIMEI
+5V
B
rrn:ëiiiiil
ill!iJ
~
10 5601
Sf668<4
---en
r?--"
TO
J606
--dJ
lb---GF6684
10
GFS685
.J608A
--o
o--
J607
COLO<TER
SELECTOR
~
1
GFG-684
JSOSA!:ffl
---------------------F~--ro----
-----------------------
------------------------'
1
•ADJU
STED
IN
FACTORY
ccunER
cOI.HTER
SELECTOR
SELECTOR
J604B
J60o48
2
CIRCUIT
AV
ARE
SUBJECT
TO
CHANCE
'MTHOUT
NOTICE
FOR
FUATHER
IMPROVEMENT
3 RESISTANCE VALUES IN 0
114
WATI
AND CAPACtTANCE IN
;J'
UNLESS OTHERWISE SPECIFIED
30
Frequency Counter
CJ
. Front Panel Label

Related product manuals