EasyManua.ls Logo

Wayne CDU980E - Page 28

Wayne CDU980E
35 pages
Print Icon
To Next Page IconTo Next Page
To Next Page IconTo Next Page
To Previous Page IconTo Previous Page
To Previous Page IconTo Previous Page
Loading...
MANUAL DE INSTALACIÓN
28
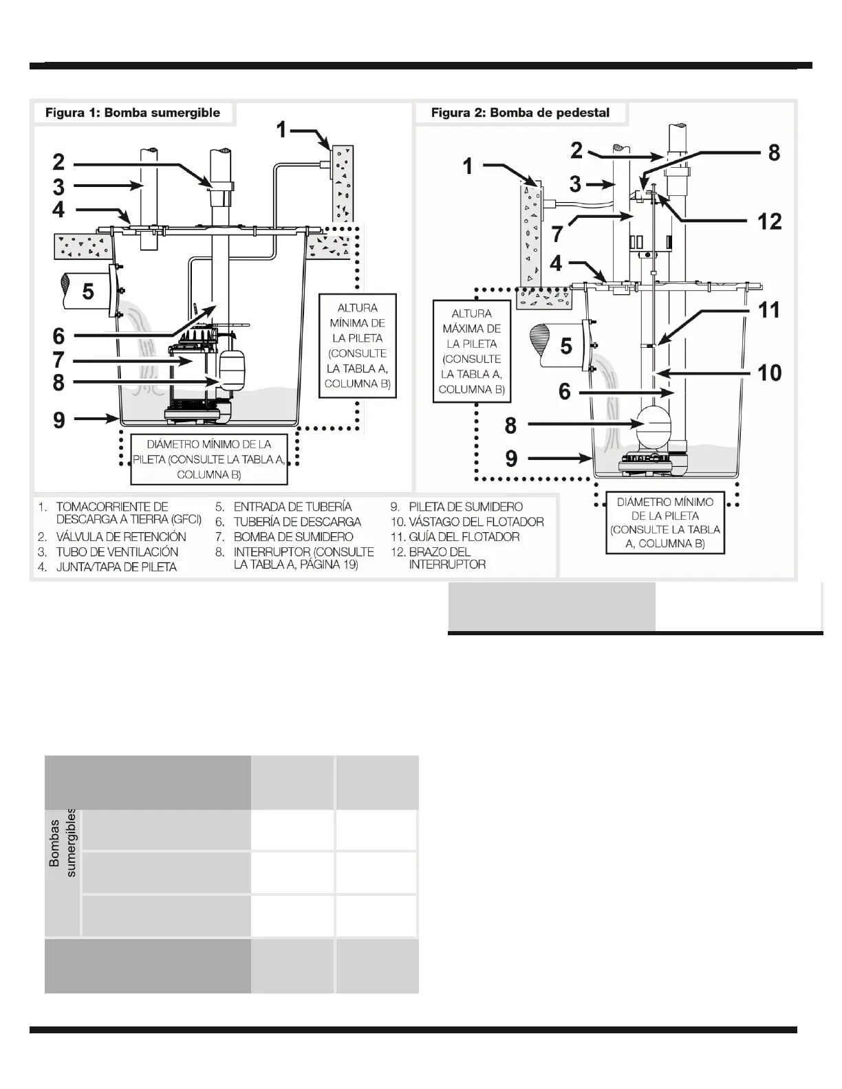
DIAGRAMAS TÍPICOS DE INSTALACIÓN DE SUMIDEROS
INSTALACIÓN TÍPICA DE
SUMIDERO
1. Esta instalación debe realizarse de acuerdo con los
Códigos eléctricos nacionales y todos los códigos y
ordenanzas locales aplicables.
2. Use una pileta que es suficientemente grande para
acomodar la bomba. Los requisitos mínimos para las
bombas para sumidero son:
TABLA A
Tipo de interruptor
A
Diámetro mínimo
de la pileta
B
Altura mínima
de la pileta
Interruptor de flotador
de correa
35,56 cm
(14 pulg.)
55,88 cm
(22 pulg.)
Interruptor de diafragma
27,94 cm
(11 pulg.)
55,88 cm
(22 pulg.)
Interruptor de
flotador vertical
27,94 cm
(11 pulg.)
55,88 cm
(22 pulg.)
TABLA B
Tipo de interruptor
A
Diámetro mínimo
de la pileta
B
Altura máxima
de la pileta
Interruptor de flotador de
pedestal (Figura 2,
página 18)
35,56 cm (14
pulg.)
60,96 cm
(24 pulg.)
3. Limpie la pileta de todo residuo.
4. De ser necesario, ensamble el interruptor o el flotador.
Refiérase a garantía y servicio hoja de repuestos
por intrucciones específicas.
5. Coloque la bomba en una superficie firme y plana. No
coloque la bomba directamente sobre arcilla, tierra,
barro o arena. Puede instalarse un ladrillo o un bloque
bajo la bomba para proporcionar una base sólida.
6. Coloque la bomba de manera que el interruptor quede
alejado de la entrada de agua y no quede expuesto al
9. Instale una unión para facilitar el retiro de la bomba para
limpieza o servicio.
10. Instale una válvula de retención (requerida) para prevenir
el reflujo. La válvula de retención puede colocarse justo
encima de la pileta, para facilitar el retiro de la bomba
para limpieza y servicio.
11. Instale una válvula de compuerta o válvula de bola si es
requerido por el código local, regional o estatal.

Related product manuals