EasyManua.ls Logo

Webasto Thermo Top E - Page 11

Webasto Thermo Top E
41 pages
Print Icon
To Next Page IconTo Next Page
To Next Page IconTo Next Page
To Previous Page IconTo Previous Page
To Previous Page IconTo Previous Page
Loading...
11
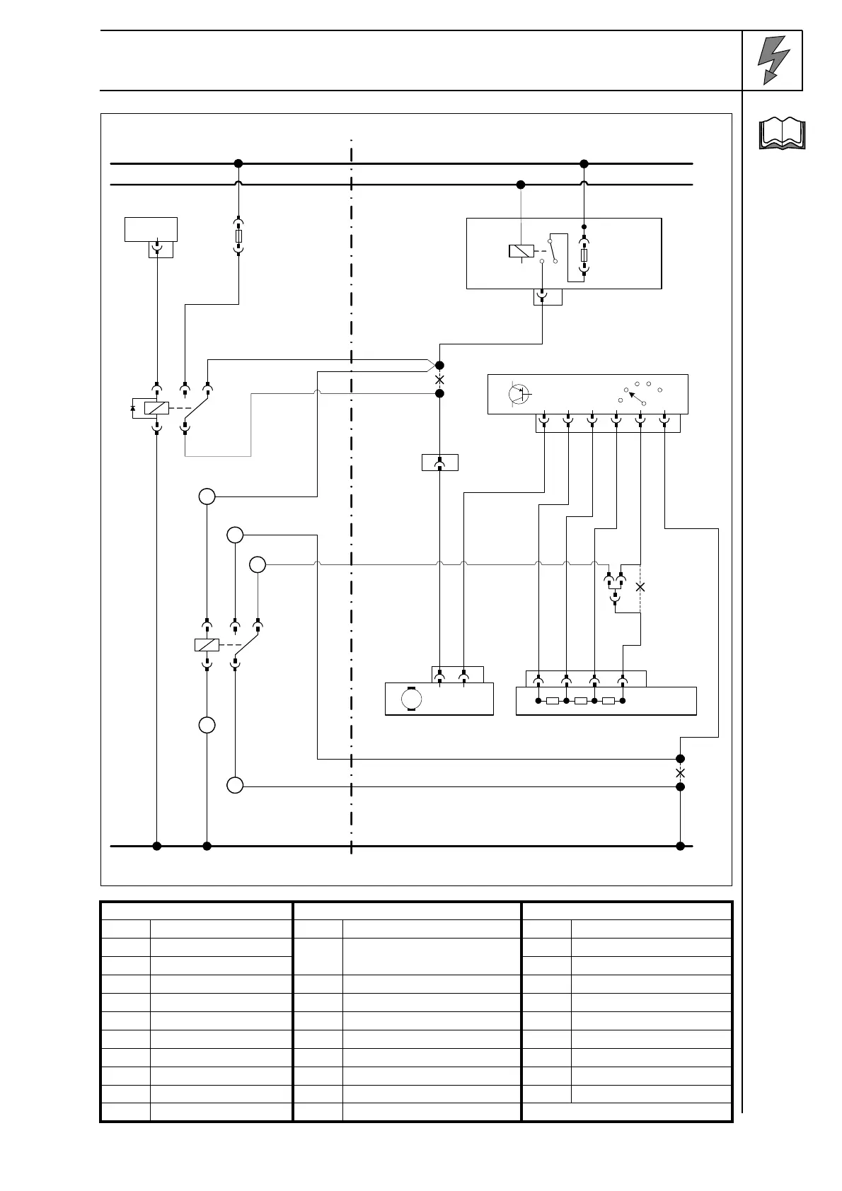
Peugeot 207 / 207 SW / 207 CC
Wiring dia-
gram for
manual air
condition-
ing
Webasto components Vehicle components Colours and symbols
Legend
HG TT-C/E Heater 8050 Fan motor rt red
X1 6-pin connector 8025 Fan switch/A/C control
panel
ws white
F3 25 A fuse sw black
K3 Fan relay 8046 Resistor group br brown
K3.1 Additional relay PSF1 Main power supply gn green
IC26 6-pin connector vi violet
2V NR 2-pin connector
4V NR 4-pin connector
8V NR 8-pin connector
X Cutting point
Wiring colours may vary.
gn/
ws
ws
sw
rt/ws
rt
Webasto
31
30
15
Peugeot
ws
rt
F3
PSF 1
F11
R7
2
2V NR
3
IC26
2V NR
1 2
8050
M
86
85 30
87a87
K3
HG
X1
4
86
85 30
87a87
K3.1
rt
1,5²
br
1,5²
br
sw
sw
sw
vi
vi
br
1,5²
5
3
1
4
2
8046
3241
4V NR
8025
8V NR
6 7 5 4 3 1
i

Other manuals for Webasto Thermo Top E

Related product manuals