EasyManua.ls Logo

Webasto Thermo Top E - Core Installation Procedures; Heater Unit Preparation and Mounting

Webasto Thermo Top E
41 pages
Print Icon
To Next Page IconTo Next Page
To Next Page IconTo Next Page
To Previous Page IconTo Previous Page
To Previous Page IconTo Previous Page
Loading...
14
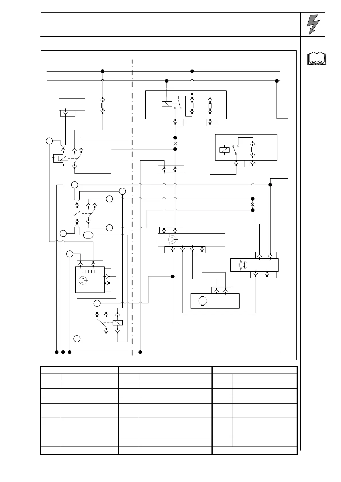
Peugeot 207 / 207 SW / 207 CC
Wiring diagram of automatic air-conditioning Variant 1
Wiring dia-
gram
Webasto components Vehicle components Colours and symbols
Legend
HG TT-C/E Heater 8050 Fan motor rt red
X1 6-pin connector PSF1 Main power supply ws white
F3 Fuse 8045 Fan controller sw black
K3 Fan relay 8080 A/C control panel br brown
K3.1 Additional relay BSI1 Central electrical box for
passenger compartment
gn green
K3.2 Additional relay IC 26 6-pin connector ro pink
IPCU Pulse width modula-
tor
gr gray
X Cutting point
Wiring colours may vary.
gn/
ws
ws
sw
rt/ws
rt
Webasto
31
30
15
Peugeot
ws
rt
HG
4
X1
F3
86
85 30
87a87
K3
IC26
4 3
BSI 1
F14
R7
2
2V GR
6
10V NR
PSF 1
F11
R7
MF5
2
2V NR
5
8V NR
2V VE
12
sw
86
85 30
87a87
K3.1
sw
rt
rt
ro
ro
gr
br
br
8685
A
E
IPCU
br
gn/
ws
rt
sw
rt
rt
rt
4
3
5
7
9
1
8
6
6V VE
3456
86
8530
87a 87
K3.2
2
10
br
8050
2V NR
2
1
M
18V NR
18
3
40V BE
40 39
8080
8045
i

Other manuals for Webasto Thermo Top E

Related product manuals