EasyManua.ls Logo

Webasto Thermo Top E - Page 12

Webasto Thermo Top E
31 pages
Print Icon
To Next Page IconTo Next Page
To Next Page IconTo Next Page
To Previous Page IconTo Previous Page
To Previous Page IconTo Previous Page
Loading...
12
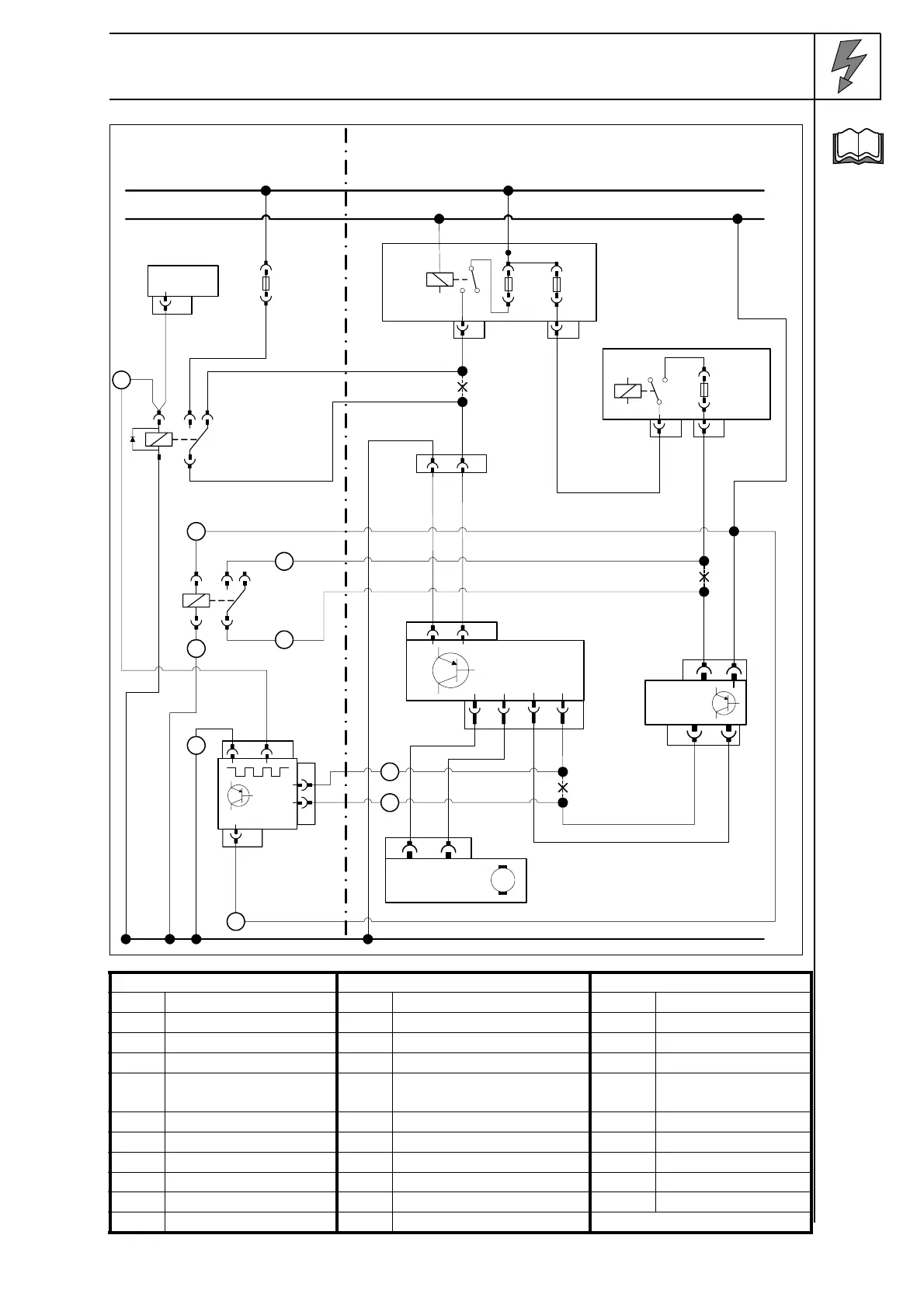
Peugeot 207
Automatic
air
condition-
ing circuit
diagram
Webasto components Components Peugeot 207 Colors and symbols
Legend
HG Heater unit TT-C/E 8050 Blower motor rt red
X1 6-pin connector PSF1 Main power supply ws white
F3 Fuse 8045 Blower controller sw black
K3 Blower relay 8080 Air conditioning control br brown
K3.1 Supplementary relay BSI1 Central electrics in the
passenger compartment
gn green
IPCU Pulse width modulator IC 26 6-pin connector ro pink
gr grey
X Splitting point
Cable colors may vary.
gn/
ws
ws
sw
rt/ws
rt
Webasto
31
30
15
Peugeot
ws
rt
HG
4
X1
F3
86
85 30
87a87
K3
IC26
4 3
BSI 1
F14
R7
2
2V GR
6
10V NR
2V NR
1 2
8050
M
PSF 1
F11
R7
MF5
2
2V NR
5
8V NR
6
8045
6V VE
5
3 4
2V VE
12
sw
18
40V
40
8080
18V NR
39
3
86
85 30
87a87
K3.1
sw
rt
rt
ro
ro
gr
br
br
8685
A
E
15
IPCU
br
gn/
ws
rt
sw
rt
rt
rt
4
3
5
7
9
1
8
6
2
i

Other manuals for Webasto Thermo Top E

Related product manuals