EasyManua.ls Logo

Weed Eater WEX145H42B - Page 7

Weed Eater WEX145H42B
21 pages
Print Icon
To Next Page IconTo Next Page
To Next Page IconTo Next Page
To Previous Page IconTo Previous Page
To Previous Page IconTo Previous Page
Loading...
6
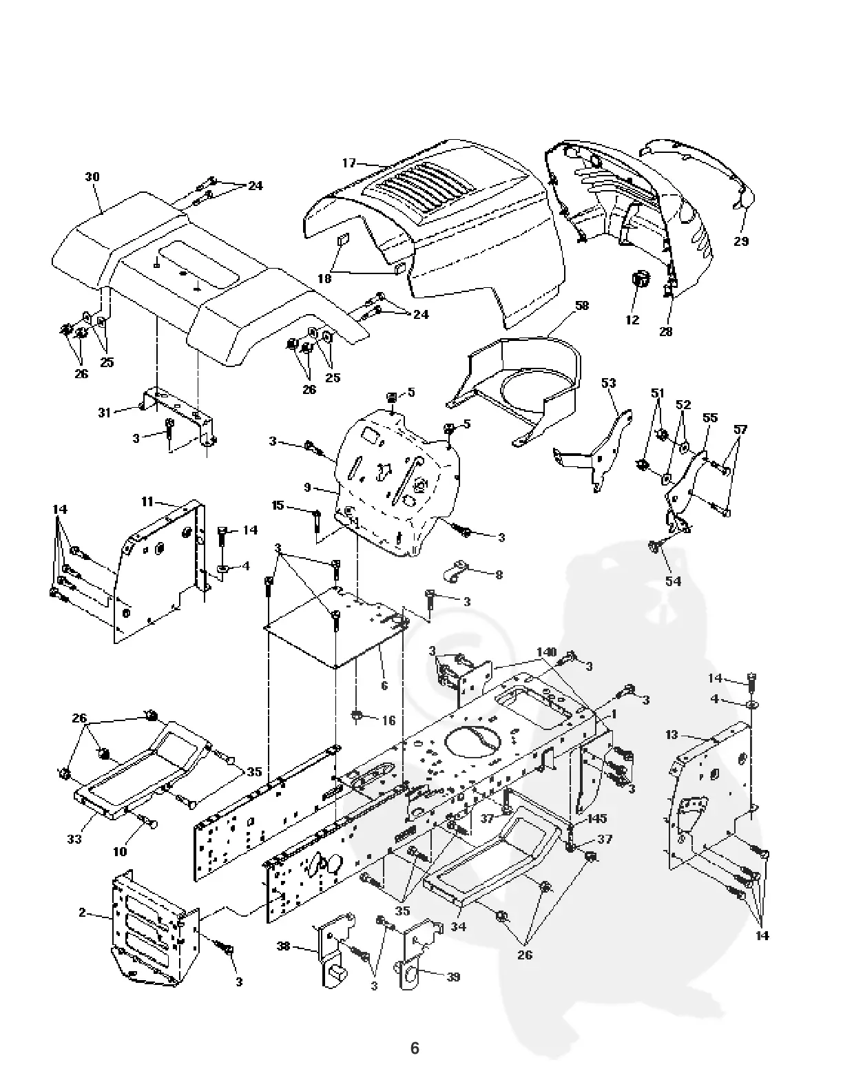
REPAIR PARTS
TRACTOR - - MODEL NUMBER WEX145H42B
CHASSIS AND ENCLOSURES

Related product manuals