EasyManua.ls Logo

Weil-McLain EG - Page 16

Weil-McLain EG
40 pages
Print Icon
To Next Page IconTo Next Page
To Next Page IconTo Next Page
To Previous Page IconTo Previous Page
To Previous Page IconTo Previous Page
Loading...
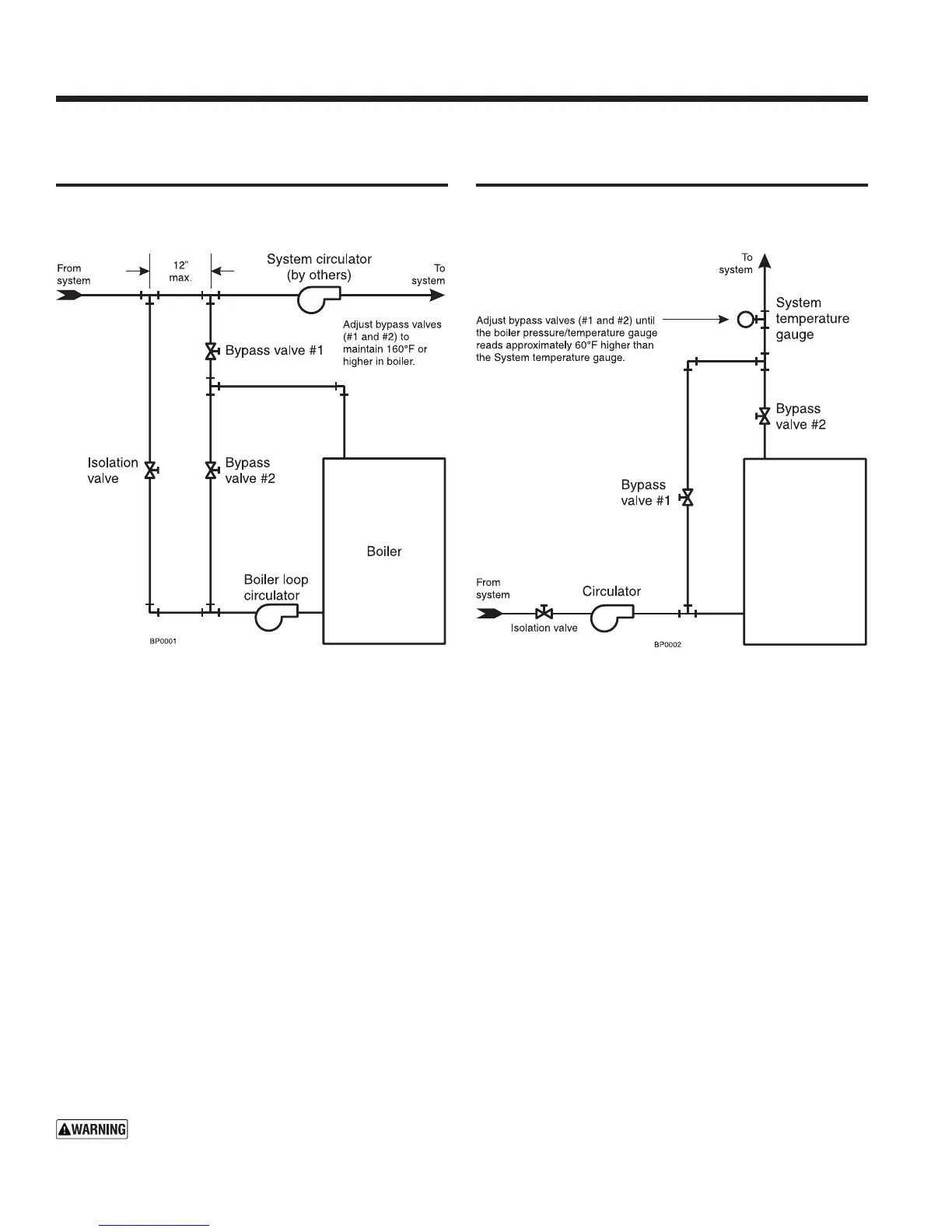
Figure 16 System bypass piping in boiler loop with separate
system circulator, using primary/secondary
piping.
Figure 17 Boiler bypass piping — use only for high water
content systems —DO NOT use for radiant panel
systems.
Install all components specified above and adjust valves as described to prevent low temperature in the boiler. Failure to
prevent low water temperature in the boiler could cause corrosion of the boiler sections or burners, resulting in severe
personal injury, death or substantial property damage.
System bypass method
1. Apply bypass piping of Figure 16 to high water content
systems, radiant panel systems or any system that is likely
to operate with low return water temperature for extended
periods.
2. The bypass arrangement shown protects the boiler from dam-
age caused by condensate corrosion due to low return water
temperature and protects low temperature systems from too
high a supply temperature.
3. Adjust the bypass valves as indicated below.
Adjust Bypass valves 1 and 2 as follows:
1. Start with valve 2 fully closed, valve 1 fully open.
2. Slowly open valve 2 while closing valve 1. Adjust the valves
until the boiler pressure/temperature gauge reads 160 °F or
higher. As you open the valves, pause long enough to allow
temperatures to level off. It takes a while for the boiler water
temperature to rise as the flow changes.
3. Bypass valve 2 allows hot boiler outlet water to blend with
colder return water, raising the supply temperature to the
boiler. Bypass valve 1 balances the pressure drop through
valve 2.
4. The purpose of this piping is to raise the return water temperature
to the boiler enough to prevent condensation of flue gases.
Boiler bypass method
1. Apply bypass piping of Figure 17 to high water content
systems, such as converted gravity systems.
2. The bypass arrangement shown protects the boiler from
damage caused by condensate corrosion due to low return
water temperature. This method does not provide protection
from high temperature water being supplied to the system.
3. DO NOT apply this piping to radiant panel systems.
4. Adjust the bypass valves as indicated below.
Adjust Bypass valves 1 and 2 as follows:
1. Start with valve 1 fully closed, valve 2 fully open.
2. Slowly open valve 1 while closing valve 2. Adjust the valves
until the boiler pressure/temperature gauge reads approxi-
mately 60 °F higher than the system temperature gauge. As
you open the valves, pause long enough to allow temperatures
to level off. It takes a while for the boiler water temperature
to rise as the flow changes.
3. Bypass valve 1 controls system flow rate. Bypass valve 2
controls flow through the boiler.
4. The purpose of this piping is to cause a high enough tem-
perature rise in the boiler that the average temperature will
be warm enough to prevent condensation of flue gases.
Connect piping – water boilers (continued)
Part Number 550-110-639/0512
16
EG
PEG
EGH Gas-firEd boilErssEriEs 4 — boilEr manual

Related product manuals