EasyManua.ls Logo

WEISS TS 002 E - Page 21

WEISS TS 002 E
24 pages
Print Icon
To Next Page IconTo Next Page
To Next Page IconTo Next Page
To Previous Page IconTo Previous Page
To Previous Page IconTo Previous Page
Loading...
21
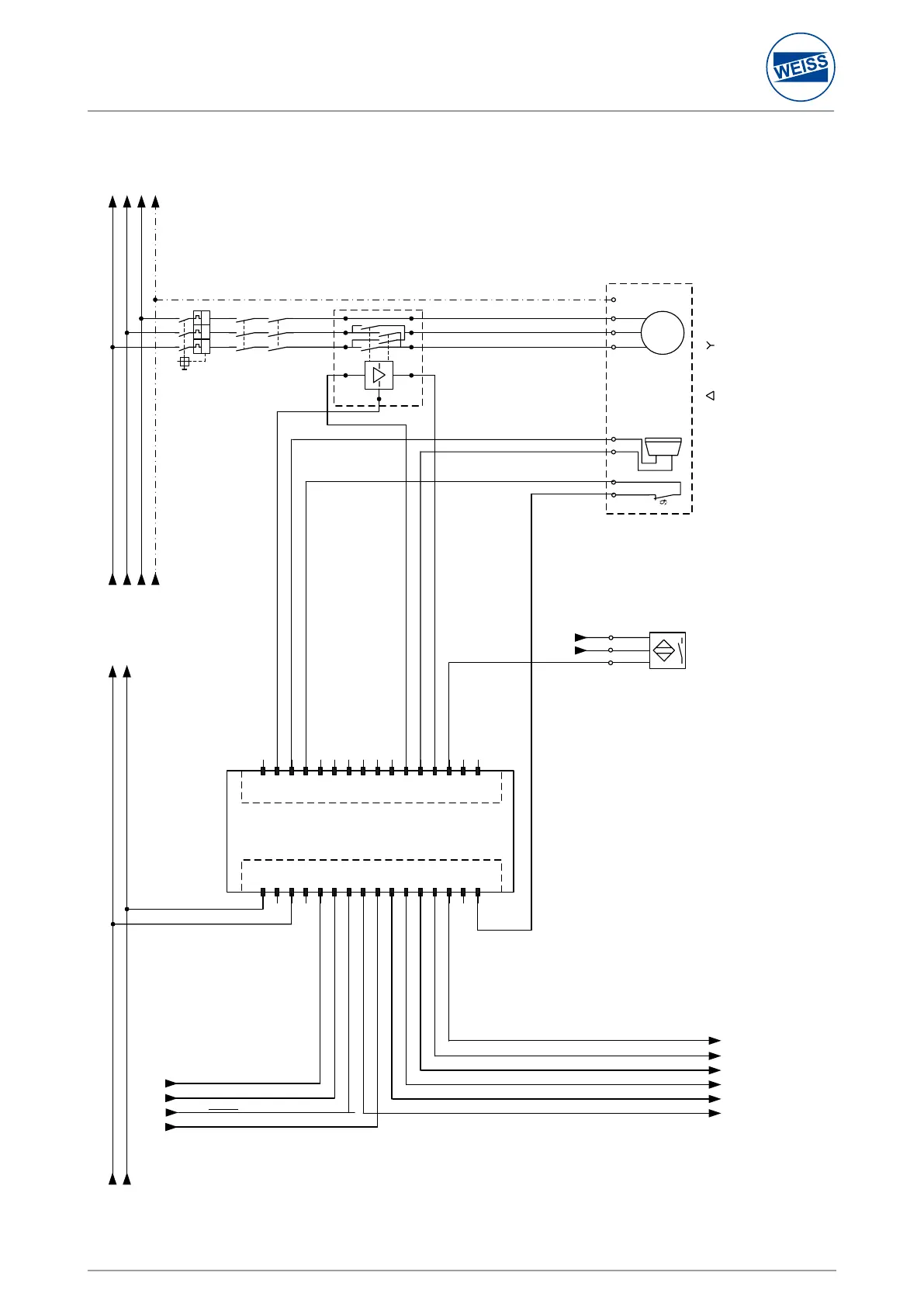
+ 24V
GND
L1
L2
L3
L1
L2
L3
PE
PE
I> I> I>
TS 004
F
G
M
E
D
C
B
A
+
+
+
+
-
-
-
-
K 0.1
K 0.2
-K 1.0
Limit switch
Indexer in position
black
brown
blue
24V
GND
brown
blue
white
white
M
3~
Motor:
See motor name plate
U
V
W
PE
10
H
T
9
8
7
6
5
4
3
2
1
+
+
-
-
230V / 400V
Electronic relay
Two direction (oscillating)
Table in position
Start permitted
Sum of alarms
Alarm: Timeout (overload)
Alarm: Position overrun
Automatic
Stop
Start (edge)
Enable (RESET/STOP)
Direction CW/CCW
1 3 5
2 4 6
A1
A2
B2
Q 1.0
E-Stop
Motor protection
switch
Schematic: two directions (oscillating)
Motor CW
Brake
Motor CCW
Sensor

Related product manuals