EasyManua.ls Logo

Wells M4200 - Wiring Diagram

Wells M4200
36 pages
Print Icon
To Next Page IconTo Next Page
To Next Page IconTo Next Page
To Previous Page IconTo Previous Page
To Previous Page IconTo Previous Page
Loading...
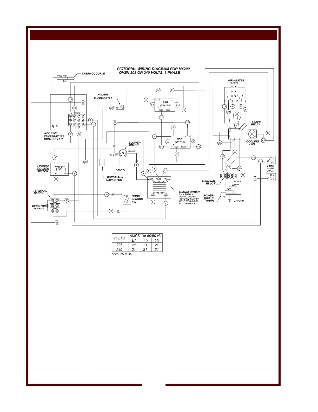
WIRING DIAGRAM
32

Related product manuals