EasyManua.ls Logo

Wen DF475X - Wiring Diagram

Wen DF475X
44 pages
Print Icon
To Next Page IconTo Next Page
To Next Page IconTo Next Page
To Previous Page IconTo Previous Page
To Previous Page IconTo Previous Page
Loading...
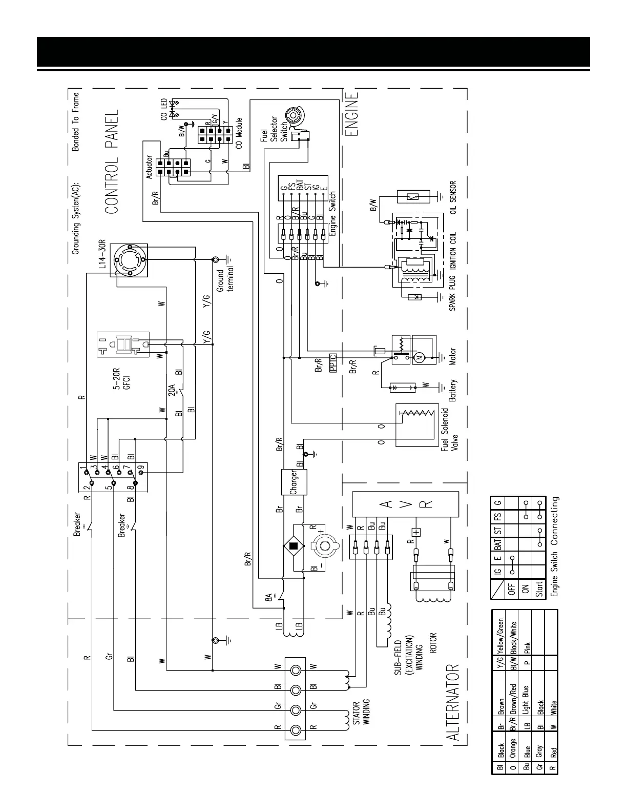
WIRING DIAGRAM
36
Neutral

Related product manuals