EasyManua.ls Logo

Wen DF480iX - Wire Diagram

Wen DF480iX
44 pages
Print Icon
To Next Page IconTo Next Page
To Next Page IconTo Next Page
To Previous Page IconTo Previous Page
To Previous Page IconTo Previous Page
Loading...
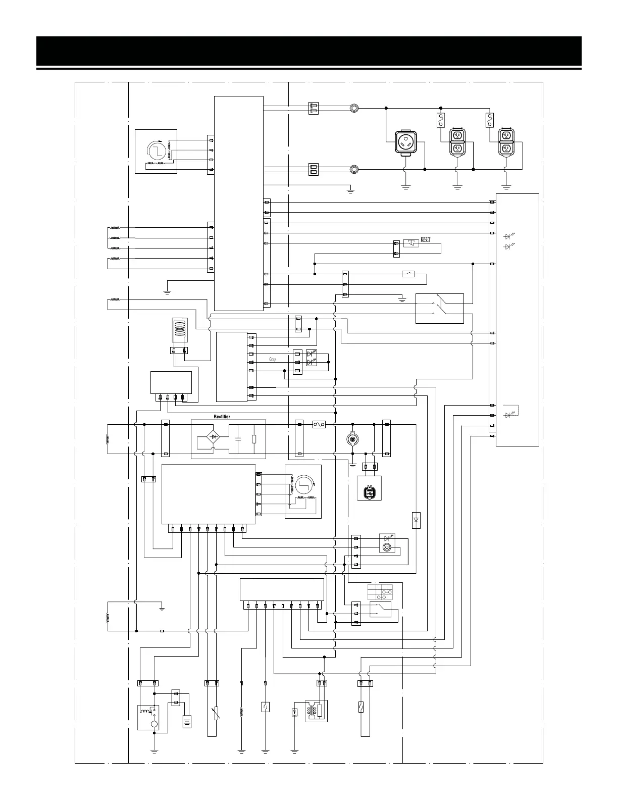
WIRING DIAGRAM
35
Red
Inverter Unit
White
Blue
Black/Red
Gray
Violet
Remote Controller
M
Blue
Blue
Blue
Black/White
RedRed
Yellow/Red
Black/Red
Orange
Brown
Green
Black/Red
Red
Black
Blue/White
Yellow
Red
Blue
Black
C
NO
Temperature Sensor
NCCNO
OFF
ON
Black
CW
Yellow
Blue
Stepping Motor
Blue
Red
Yellow
Pink
Orange
Orange
Pink
Yellow
Blue
White
White
Black
Red
CW
t
Violet
Brown
Black/White
Pink
Protector/8A
Yellow/Green
Digital Meter
Orange
Blue/White
ECO switch
Yellow/Green
Blue
Black/Red
Black
Motor
Section
Power
Section
Black/Red
Black/Red
Black/Red
NC
Panel
Section
Green
Yellow
+
-
12VDC/8A
OIL
+
-
5VDC/1A/2.1A
USB
Red
Yellow/Green
Black
Yellow/GreenYellow/Green
20A,C.B 20A,C.B
TT-30R
5-20R 5-20R
Red
Black
Violet
CO winding
Violet
Violet
Blue
Brown
Black
CO Alarm
CO
Pink
Green
Violet
Violet
Violet
Violet
Gas switch
Fuel solenoid valve
Solenoid Valve
Controller
White
Black
Red
Orange
Brown
Orange
Black
White
Stepper Motor
Parallel
Terminal
DC Winding
Inverter
Unit Winding
Main
Winding
Ignition
Winding
6A 10MIC
Digital Igniter
Starter Motor
Battery 12V
Pulser Coil
Oil Switch Level
Spark Plug
Ignition Coil
Fuel Level Indicator
Microswitch
Run
Over

Related product manuals