EasyManua.ls Logo

Westerbeke 30 - Page 141

Westerbeke 30
156 pages
Print Icon
To Next Page IconTo Next Page
To Next Page IconTo Next Page
To Previous Page IconTo Previous Page
To Previous Page IconTo Previous Page
Loading...
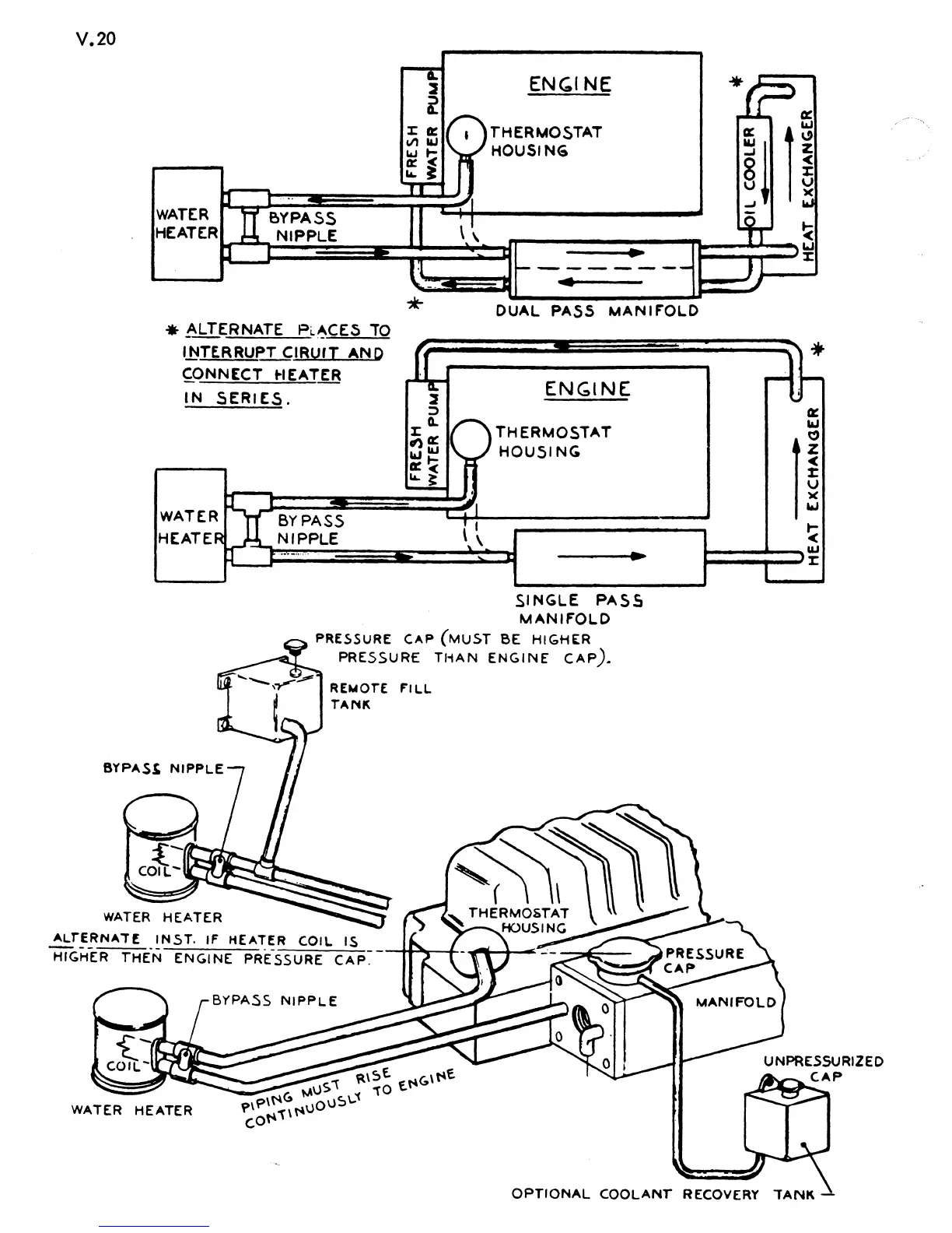
V.20
!-LTERNATE
p'
A
INTERRUPT
~.
CES
TO
~ONNECT~IRUrT
AND
I
"'EATER
N
SERIES.
-
BY
PASS
NIPPLE
........
"
..
ENCtI
NE
rHER~OSTAT
HOUSING
..
4
---
DUAL PAS
S MANIF'OLD
ENGINE
THERMOSTAT
HOUSING
PR
SI
NGLE
PAS
ESSURE
CAP
(M
MANIFOLD
S
PRESSURE
TI1AU~T
BE
HIGHER
R
E.,.
OrE
ENGI
NE'
CAP).
TANK
FILL
WATER
ALrERNAi
HEATER
H
--
f
IN5T
IGH(R
THE-·
-
IF
HEATER
N
ENGINE
P
-.
COIL
IS
RESSURE
CAP~-
-t1~-
I
BYPASS
N
IPPLE
OPTIONAL
COOLANT

Related product manuals