EasyManua.ls Logo

Whirlpool 1997 "E" - Page 66

Whirlpool 1997 "E"
80 pages
Print Icon
To Next Page IconTo Next Page
To Next Page IconTo Next Page
To Previous Page IconTo Previous Page
To Previous Page IconTo Previous Page
Loading...
4-2
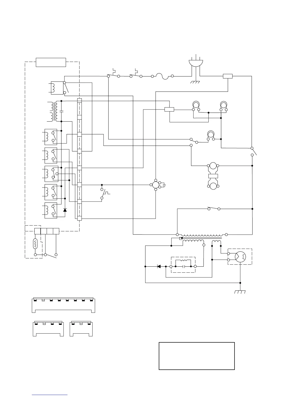
Model MH9115XE
BK = Black BR = Brown
RD = Red YL = Yellow
GN = Green BL = Blue
PK = Pink WH = White
NOTES:
1. Oven is Off.
2. Door is Open.
CAVITY
THERMAL
PROTECTOR
MAGNETRON
THERMAL
PROTECTOR
BK
BK
BK
L
GN
N
W
W
15A LINE
FUSE
BK
RELAY #2
RELAY #1
LOW-VOLTAGE
TRANSFORMER
1
2
RELAY #3
RELAY #4
RELAY #5
RELAY #6
8
3
4
5
6
7
PRIMARY
INTERLOCK
SWITCH
COOKTOP LIGHTS
RD
W
RD
W
OVEN LIGHT
W
BL
(C)
(NC)
(NO)
BK
BL
BR
YL
YL
W
W
BR
BASE
THERMAL
PROTECTOR
W
PK
RD
BL
YL
BK
(LOW)
(HI)
(C)
YL
RD
BLOWER
MOTOR
FAN
MOTOR
TURNTABLE
MOTOR
BL
MONITOR
SWITCH
SECONDARY
INTERLOCK
SWITCH
BR
RD
W
W
(C)
(NO)
(C)
(NC)
BL
BL
RD
RD
PK
BK
HIGH-VOLTAGE
TRANSFORMER
HIGH-VOLTAGE
CAPACITOR
RECTIFIER
BL
BR
PK
BL
TEMP
PROBE
RD
W
RD
W
RD
FA
F
MAGNETRON
PK RD BL BR YL BKW
PK
BL BR
PK
BL
12 34
5
67
8
12 34 12 3
8-PIN CONNECTOR
4-PIN CONNECTOR
3-PIN CONNECTOR
CONTROL MODULE
1
234
MICROCOMPUTER
BOARD

Table of Contents

Related product manuals