EasyManua.ls Logo

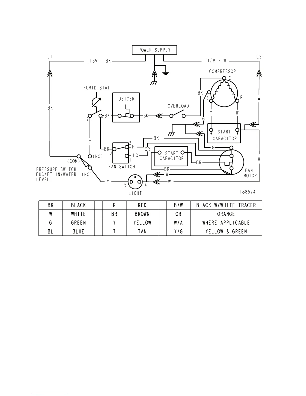
Whirlpool AD35USS - Wiring Diagrams Overview; Wiring Diagram 2 (Mechanical)

Whirlpool AD35USS
40 pages
Print Icon
To Next Page IconTo Next Page
To Next Page IconTo Next Page
To Previous Page IconTo Previous Page
To Previous Page IconTo Previous Page
Loading...
6-2
WIRING DIAGRAM 2

Related product manuals