EasyManua.ls Logo

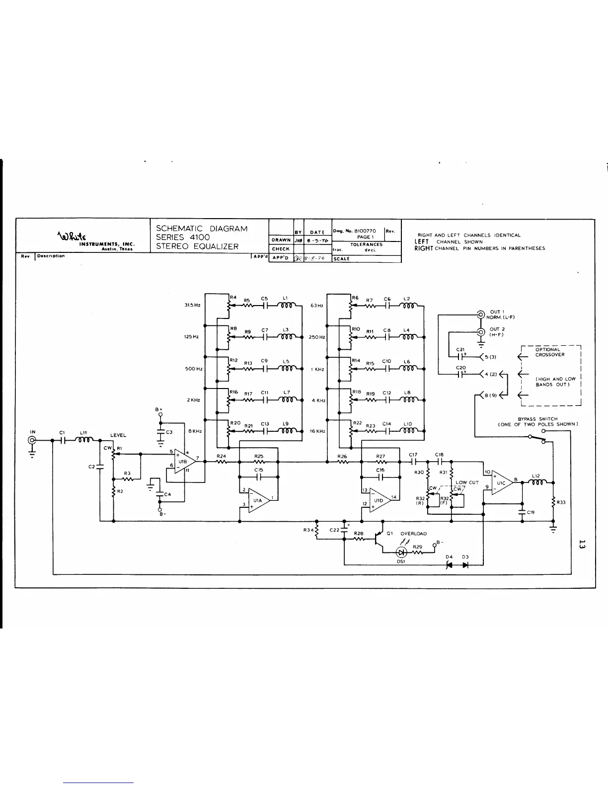
White Instruments 4100 - Schematic Diagram

White Instruments 4100
19 pages
Print Icon
To Previous Page IconTo Previous Page
To Previous Page IconTo Previous Page
Loading...