EasyManua.ls Logo

Windsor Chariot 2 CBPS20 - Wiring Diagram 4

Windsor Chariot 2 CBPS20
110 pages
Print Icon
To Next Page IconTo Next Page
To Next Page IconTo Next Page
To Previous Page IconTo Previous Page
To Previous Page IconTo Previous Page
Loading...
98
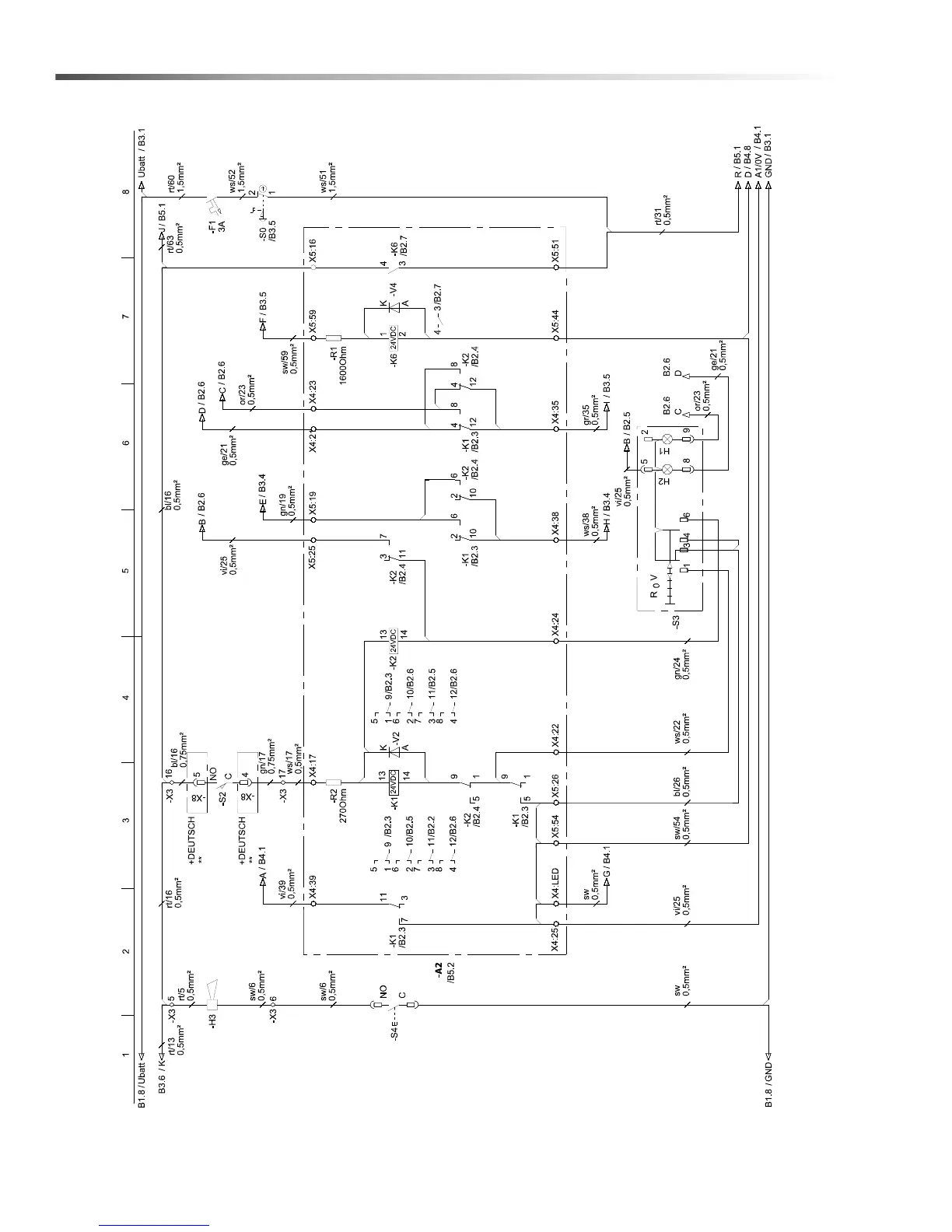
Wiring Diagram 4
86356230 Chariot iGloss

Related product manuals