EasyManua.ls Logo

Windsor chariot iExtract CE24 - Page 72

Windsor chariot iExtract CE24
128 pages
Print Icon
To Next Page IconTo Next Page
To Next Page IconTo Next Page
To Previous Page IconTo Previous Page
To Previous Page IconTo Previous Page
Loading...
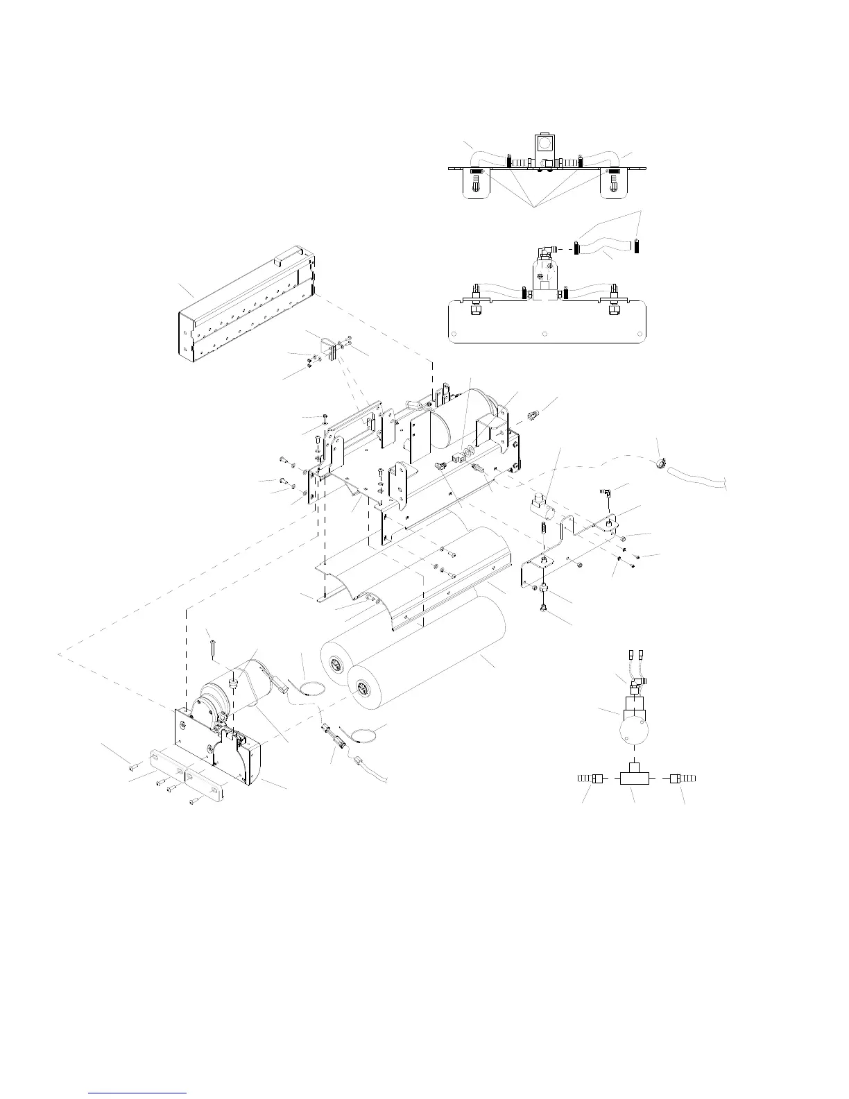
SCRUB DECK
86037880 CHARIOT EXTRACTOR 09/13/08
5-21
HARNESS
MAIN
FROM
43
24
25
26
27
28
30
31
32
33
34
35
36
37
38
39
40
34
42
42
DETAIL 'A'
SEE DETAIL 'A'
17
8
4
11
19
23
18
16
6
9
13
12
10
5
7
41
22
21
21
20
15
14
2
1
HOSE ROUTING
1
1
2
2
3
2
FROM
PUMP
OUTLET

Related product manuals