EasyManua.ls Logo

Windsor EXPERT - Wiring Diagram

Windsor EXPERT
30 pages
Print Icon
To Next Page IconTo Next Page
To Next Page IconTo Next Page
To Previous Page IconTo Previous Page
To Previous Page IconTo Previous Page
Loading...
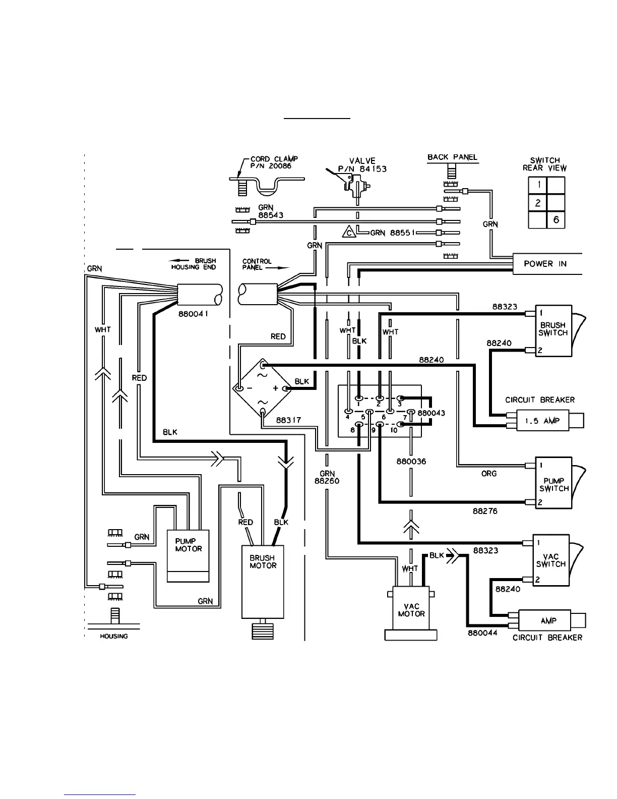
WIRING DIAGRAM
EXP 98363 08/25/04
4-5
115V EXPERT
BLK
15
ORG

Other manuals for Windsor EXPERT

Related product manuals