EasyManua.ls Logo

WiseWay GW1949 - Floor Protection Requirements; Hearth Requirements; Installation Warnings and Guidelines

WiseWay GW1949
24 pages
Print Icon
To Next Page IconTo Next Page
To Next Page IconTo Next Page
To Previous Page IconTo Previous Page
To Previous Page IconTo Previous Page
Loading...
3
Install vent at clearances speci ed by the vent manufacturer.
The chimney connector shall not pass through an attic or roof space, closet or similar concealed space,
or oor, or ceiling. Where passage through a wall or partition of combustible construction is desired, the
installation shall conform to CAN/CSA-B365-US UL 103 HT, installation code for solid –fuel –burning appliances
and equipment.
WARNING: Do not compromise instructions for installation or make changes to manufacturers speci cations
during the installation of this product.
Attachment and securement of the exhaust venting system to the product and to each adjoining section.
All joints for connector pipe shall be required to be fastened with at least three screws.The area where the
vent pipe penetrates to the exterior of the home must be sealed with silicone or other means to
maintain the vapor barrier between the exterior and the interior of the home.
Vent surfaces can get hot enough to cause burns if touched. Noncombustible shielding or guards may be
required.
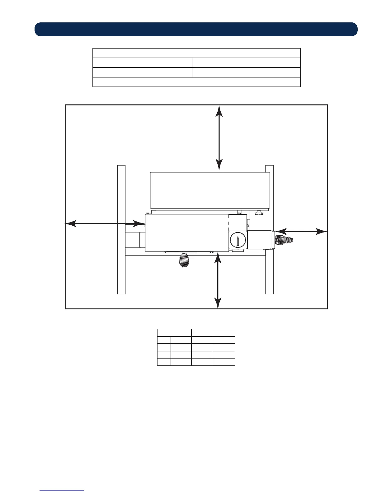
FLOOR PROTECTION REQUIREMENTS
A
B
D
C
Dimension Inch mm
A Front 2 51
B Rear 8 230
C Left 16 457
D Right 3 76
REQUIREMENTS OF 3/8” NON COMBUSTIBLE MATERIAL
Minimum hearth requirements USA – 25”D X 44” W
Minimum hearth requirements Canada – 635MM D X 1168.4mm L
A NON FLAMMABLE PAD MUST BE INSTALLED THAT MEETS UL 1618