EasyManua.ls Logo

Wolf ICBDF486G - Bake Mode Operation; Bake Stone Mode Operation

Wolf ICBDF486G
20 pages
Print Icon
To Next Page IconTo Next Page
To Next Page IconTo Next Page
To Previous Page IconTo Previous Page
To Previous Page IconTo Previous Page
Loading...
14
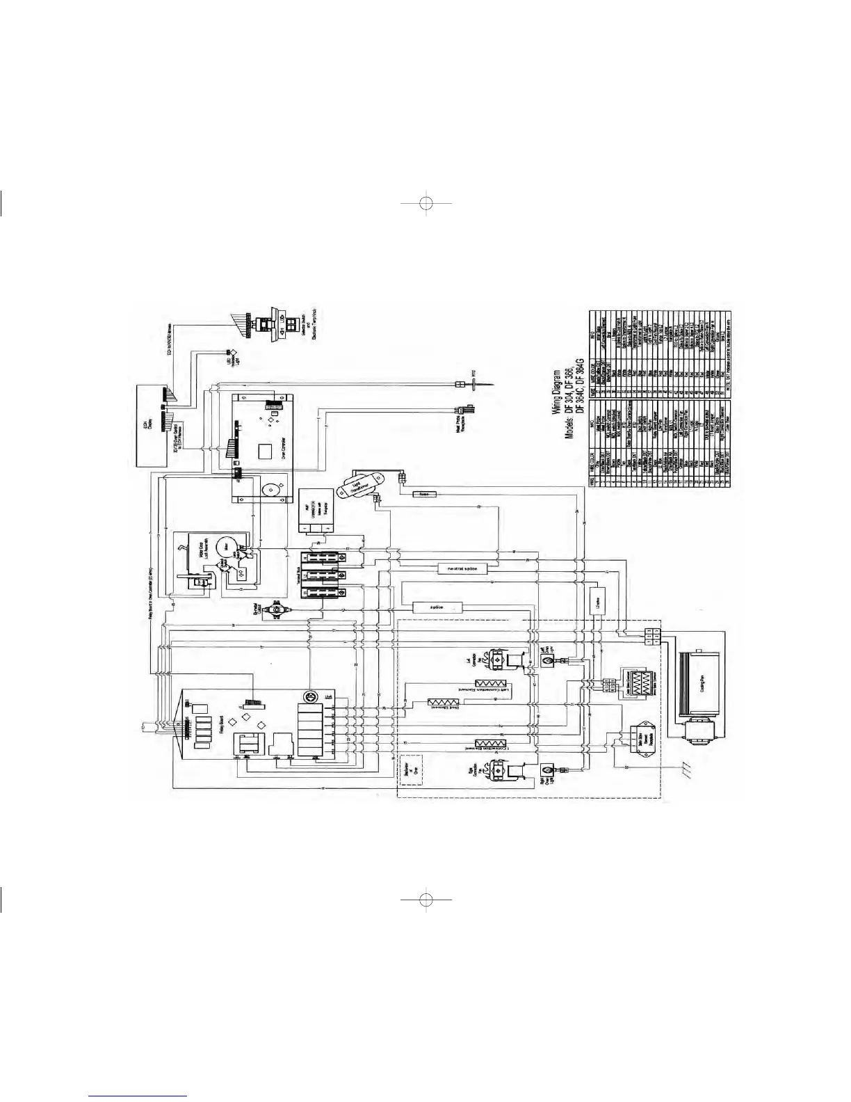
W i r i n g d i a g r a m

Other manuals for Wolf ICBDF486G

Related product manuals