EasyManua.ls Logo

Worcester OIL HEATSLAVE 20/25

Worcester OIL HEATSLAVE 20/25
40 pages
To Next Page IconTo Next Page
To Next Page IconTo Next Page
To Previous Page IconTo Previous Page
To Previous Page IconTo Previous Page
Loading...
22
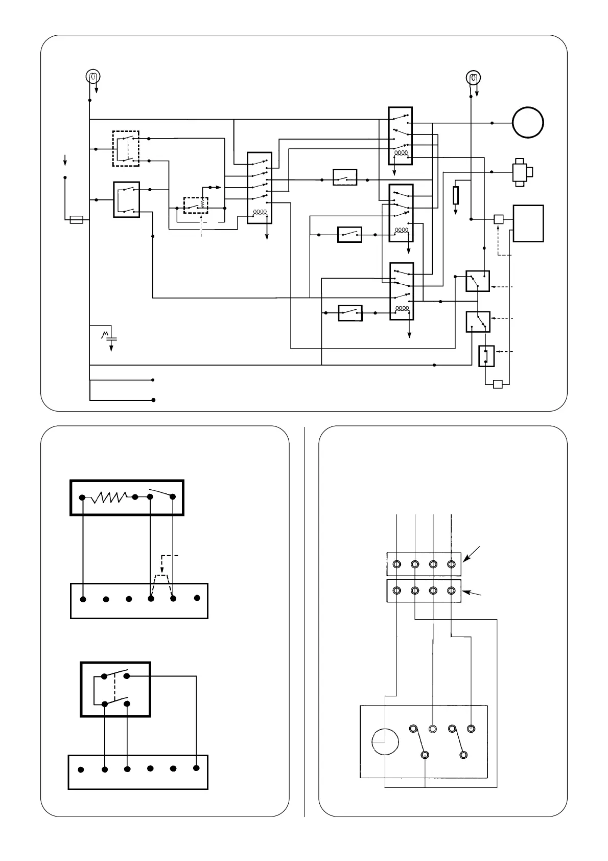
Fig. 19. Schematic Electrical Diagram.
Fig. 20. Room and Frost Thermostat
Connections
Fig. 21a. Facia Mounted Programmer
Connections.
LOCKOUT
INDICATOR
MOTORISED DIVERTER
VALVE
PUMP
N
N
N
N
L
N
N
N
N
BURNER
SNAP ON
CONNECTOR
(PIN 4)
CENTRAL
HEATING
CONTROL
THERMOSTAT
BOILER
THERMOSTAT
MANUAL RESET
OVERHEAT
THERMOSTAT
PLUG-IN CONNECTOR (PIN 2)
RELAY
3
RELAY 1
DIVERTER END
SWITCH
RELAY 4
WATER
FLOW SWITCH
DOMESTIC HOT
WATER CONTROL
THERMOSTAT
ROOM
THERMOSTAT
(IF FITTED)
FROST THERMOSTAT
(IF FITTED)
POWER ON
INDICATOR
OPERATING
SWITCH or
PROGRAMMER
FUSE F1
3.15A
SLOW
BLOW
LIVE SUPPLY
RELAY 2
RESISTOR
X11 (PIN 2)
X8 (PIN 3)
(1)
(1)
(3)
(3)
(C)
(C)
X12
(PIN 4)
X7 (PIN 1)
X13 (PIN 1)
X13 (PIN 5)
X13 (PIN 2)
X10 (PIN 3)
X8
(PIN 5)
X2
(PIN 2)
X2
(PIN 6)
X8
(PIN 2)
X4 (PIN 2)
0.1
LIVE SUPPLY FOR POST PURGE UNIT
X3 (PIN 3)
X4 (PIN 3)
X4 (PIN 1)
4
1
2
3
3
4
4
3
1
1
2
4
1
X2
(PIN 5)
X1 (PIN 1)
X9 (PIN 1)
X2 (PIN 1)
X2
(PIN 3)
X2 (PIN 4)
X10
(PIN 1)
X6 (PIN 4)
X6
(PIN 2)
X13
(PIN 3)
brown
black
grey
yellow
white white
grey
white
Link
brown
orange
red
red
brown
orange
blue
grey
pink
brown
Room Thermostat
Neutral
Common
Switched Live
Remove Link
6 54321
654321
Terminal Block X2
on Control Board
Terminal Block
X2
on Control Board
Frost Thermostat
(Double Pole)
Programmer
Terminal Block
X4 on Control
Board
Pre-wired time clock
terminal strip socket
(Located in boiler
electrical cover).
Pre-wired time clock
terminal strip plug
(Connected to time
clock leads).
Blue
Brown
White
Grey
Grey
White
Blue
Brown
HW
CH
orange
grey
X8 (PIN 1)
LIVE SUPPLY FOR DIVERTER VALVE (BROWN)

Related product manuals