EasyManua.ls Logo

wsm L4701 - Page 307

wsm L4701
662 pages
Print Icon
To Next Page IconTo Next Page
To Next Page IconTo Next Page
To Previous Page IconTo Previous Page
To Previous Page IconTo Previous Page
Loading...
TRANSMISSION
L3301, L3901, L4701, WSM
3-M33
L4701
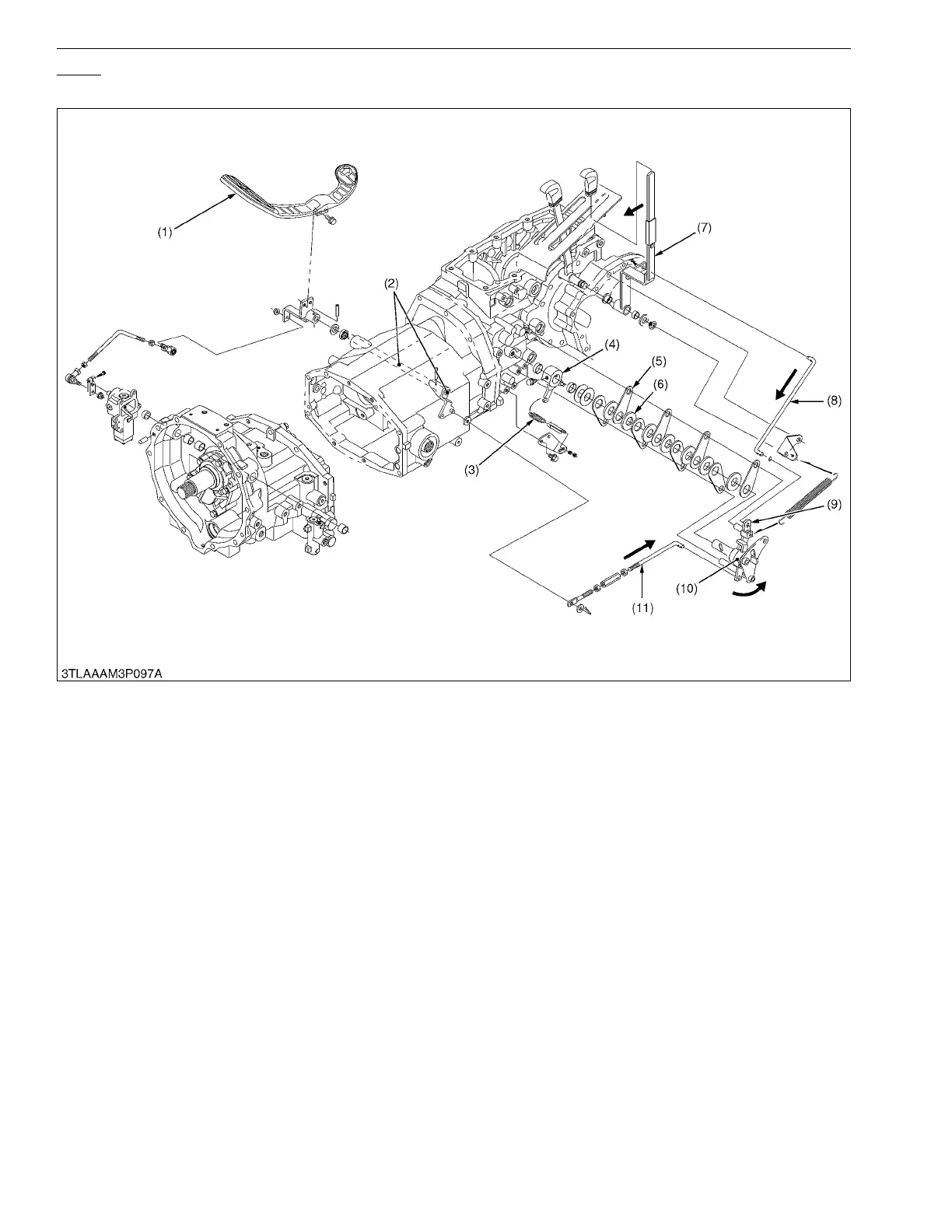
Speed Set
The cruise control lever (7) and the HST pedal (1) are linked with the lever rod (8), the cruise lever 1 (10), the
cruise lever 2 (9), the cruise adjusting rod (11) and the connecting shaft (2).
When the cruise control lever (7) is moved to forward direction, the cruise lever 2 (9) is moved to arrow direction
by the lever rod (8). The cruise lever 1 (10) is moved forward by being pushed to the cruise lever 2 (9), and the cruise
adjusting rod (11) is pulled backward. Because the cruise adjusting rod (11) and the HST pedal (1) are connected by
the connecting shaft (2), the HST pedal is moved and HST becomes forward position.
On the other hand, because the friction plate (5) and the friction disk (6) are suppressed outside by the release
lever (4) and the cruise spring (3), the cruise lever 1 (10) and the cruise lever 2 (9) are fixed at the position. As a result,
the cruise control lever position can be infinitely set.
In addition, because the movement of the cruise lever 1 (10) is restricted by the cruise lever 2 (9), the backward
pedal operation cannot be done while the cruise control lever (7) is operating.
9Y1211012TRM0036US0
(1) HST Pedal
(2) Connecting Shaft
(3) Cruise Spring
(4) Release Lever
(5) Friction Plate
(6) Friction Disk
(7) Cruise Control Lever
(8) Lever Rod
(9) Cruise Lever 2
(10) Cruise Lever 1
(11) Cruise Adjusting Rod
KiSC issued 09, 2016 A

Table of Contents